EasyManua.ls Logo

ACT AC2300 - AC-Virtakatkos; Akku Ja Lataaminen; Tärkeimmät Ominaisuudet; UPS-Lähdöt

ACT AC2300
Print Icon
To Next Page IconTo Next Page
To Next Page IconTo Next Page
To Previous Page IconTo Previous Page
To Previous Page IconTo Previous Page
Loading...
5
|
SUOMI
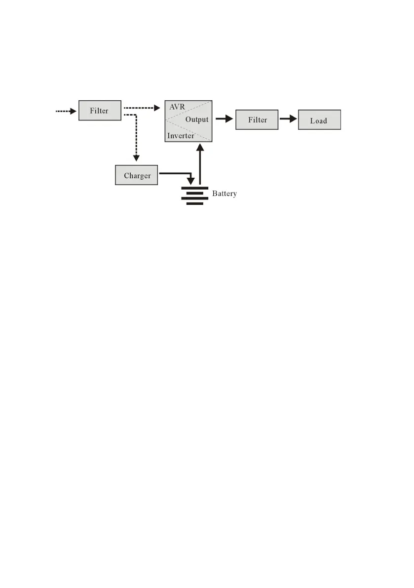
3.2 AC-virtakatkos
Kun ilmenee AC-virtakatkos, akku syöttää virtaa muuntajaan ja sen jälkeen virta
kulkee suodattimeen ja syöttää sen kautta virtaa laitteeseen varmistaen jatkuvan
virransyötön.
3.3 UPS-lähdöt
AC2300 UPS:llä on 6 lähtöä:
Vasemmalla puolella kolme lähtöä virtakatkokselta (ylijännite/piikki)
suojautumista varten.
Oikealla puolella kolme lähtöä virtakatkokselta (ylijännite/piikki) suojautumista
varten sekä varmuustoimintoa varten, kun ilmenee AC-virtakatkos. Sisäinen
akku jatkaa virransyöttöä liitettyyn laitteeseen.
AC2305 UPS:ssä on 2 lähtöä 1x IEC (C13) + 1x EU-pistorasiatyyppi F-naaras:
Molemmat lähdöt ovat virtakatkokselta (ylijännite/piikki) suojautumista varten se
varmuustoimintoa varten, kun ilmenee AC-virtakatkos. Sisäinen akku jatkaa
virransyöttöä liitettyyn laitteeseen.
3.4 Akku ja lataaminen:
Kun UPS on liitetty verkkovirtaan, laturi lataa akun täyteen noin 10 tunnissa.
Kun akun varaus on lopussa, kytke UPS pois päältä ja lataa akkua vähintään 10
tuntia. Kytke sen jälkeen UPS päälle.
4.0 Tärkeimmät ominaisuudet
4.1 Valvomaton käyttö
Liitä UPS verkkovirtaan ja paina etupaneelin ON (Päälle) -painiketta, UPS
kytkeytyy päälle ja virransyöttö syöttää vakautettua jännitettä.
Virtakatkoksen ilmetessä UPS syöttää virtaa laitteeseen välittömästi. Ja kun
akkuvirta on käytetty, UPS kytkeytyy pois päältä automaattisesti.
Kun virtakatkos päättyy, UPS kytkeytyy päälle automaattisesti.

Table of Contents