EasyManua.ls Logo

ACT AC2300 - Έξοδοι UPS; Διακοπή Ρεύματος; Μπαταρία Και Φόρτιση

ACT AC2300
Print Icon
To Next Page IconTo Next Page
To Next Page IconTo Next Page
To Previous Page IconTo Previous Page
To Previous Page IconTo Previous Page
Loading...
5
|
ΕΛΛΗΝΙΚΑ
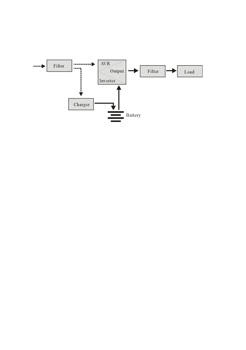
3.2 Διακοπή ρεύματος
Σε περίπτωση διακοπής ρεύματος, η μπαταρία τροφοδοτεί τον μετατροπέα και, στη
συνέχεια, περνάει το φίλτρο και παρέχει ισχύ για τον εξοπλισμό, εξασφαλίζοντας
συνεχή τροφοδοσία ρεύματος.
3.3 Έξοδοι UPS
Το AC2300 UPS έχει 6 εξόδους:
Τρεις έξοδοι στην αριστερή πλευρά για προστασία από διακοπή ρεύματος
(υπέρταση/αιχμή).
Τρεις έξοδοι στη δεξιά πλευρά για προστασία από διακοπή ρεύματος
(υπέρταση/αιχμή) με εφεδρική λειτουργία σε περίπτωση διακοπής ρεύματος. Η
ενσωματωμένη μπαταρία συνεχίζει να παρέχει ισχύ στον συνδεδεμένο
εξοπλισμό.
Το AC2305 UPS έχει 2 εξόδους 1x IEC (C13) + 1x θηλυκή πρίζα EU τύπου F:
Και οι δύο έξοδοι προορίζονται για προστασία από διακοπή ρεύματος
(υπέρταση/αιχμή) με εφεδρική λειτουργία σε περίπτωση διακοπής ρεύματος. Η
ενσωματωμένη μπαταρία συνεχίζει να παρέχει ισχύ στον συνδεδεμένο εξοπλισμό.
3.4 Μπαταρία και φόρτιση:
Όταν το UPS είναι συνδεδεμένο στην παροχή AC, ο φορτιστής φορτίζει πλήρως
την μπαταρία σε περίπου 10 ώρες.
Εάν εξαντληθεί η μπαταρία, απενεργοποιήστε το UPS και φορτίστε την μπαταρία
για τουλάχιστον 10 ώρες. Στη συνέχεια, ενεργοποιήστε το UPS

Table of Contents