EasyManua.ls Logo

Actisense DST-2-C-150 - Other Connections; NMEA 0183 Output; RS232 (PC) Compatible Output; Connecting to the Battery Supply

Actisense DST-2-C-150
16 pages
Print Icon
To Next Page IconTo Next Page
To Next Page IconTo Next Page
To Previous Page IconTo Previous Page
To Previous Page IconTo Previous Page
Loading...
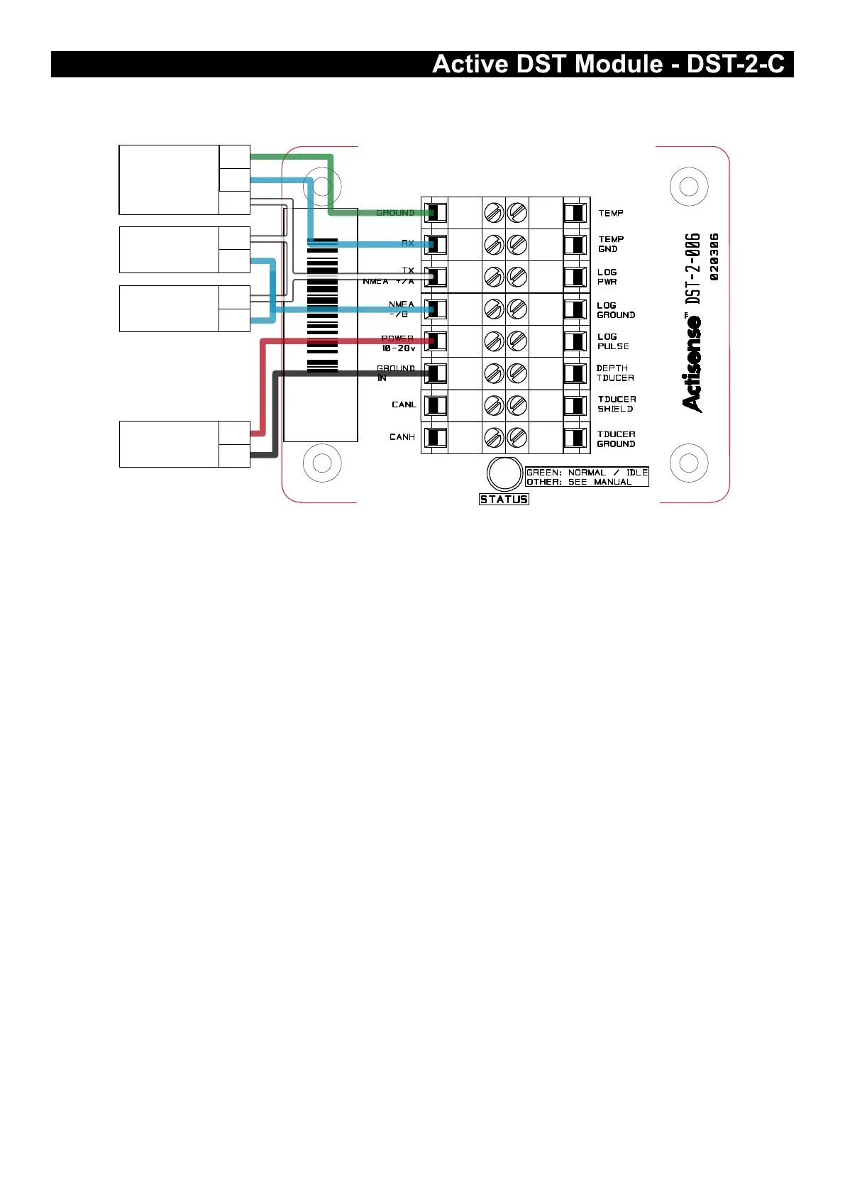
Active DST Module - DST-2-C
Page 9© 2016 Active Research Limited
Other Connections
Figure 3 – NMEA 0183 and Battery connections
NMEA 0183 Output
The NMEA 0183 buffered output is capable of driving up to
4 NMEA 0183 fully compliant listening devices.
NMEA Listener device’s A and B: These devices
conform in full to the NMEA 0183 standard and their
connection ID’s match that of the DST module.
RS232 (PC) compatible Output
The RS232 (PC) output can be used to connect to a
PC’s communication port using a cable conforming to the
following specication:
1. A D-type female (socket) connector for the PC end of
the cable.
2. A minimum of 3 cores are required in a shielded cable.
Higher quality cable will make longer cable lengths
possible. Most typical cables have two twisted pairs
inside. In this case, use one pair for the ‘TX’ line and
one for the ‘RX’ line. Use the spare wire in each pair
as ground, and connect the cable shield to ground
only at the computer end.
3. The ‘TX’ of the DST-2 should be connected to the
RX’ of the computer (standard D-type, pin 2) and
the DST-2 ‘RX’ should be connected to the ‘TX’ of
the computer (pin 3). The ‘GROUND’ of the DST-2
should be connected to the PC’s ground (pin 5).
Connecting to the battery supply
The Actisense DST-2 should be wired to the vessel’s
battery supply in the most direct manner possible, to
minimize interference from other electronic devices. The
cable used should be of sufcient gauge to handle the
power requirements of the Actisense DST-2 (refer to the
Specications section).
Cable grommets
The Actisense DST-2 is provided with Nylon sealing
grommets. It is recommended that the box is positioned
with the double grommets pointing downwards, so that
two cables may exit downwards from the case. This will
prevent any moisture from entering the case, as it will drain
downwards, and not into the case.
The module case lid is IP66 certied and has an integral
gasket. If additional protection from water is required,
add a small amount of silicon / sicaex sealant to the lid’s
gasket before the lid is screwed to the base.
Note:
1. Wire colours are for guidance only.
NMEA DST MODULE
99999
DST-2-C-200
Battery/
PSU
+
-
NMEA
Listener B
A
B
NMEA
Listener A
+
-
PC or
Laptop
(RS232)
Rx
Tx
G