EasyManua.ls Logo

ActronAir ESP Plus SRV151E - Zoning Cable Specification (ESP Ultima); ESP Ultima Zoning Cable Lengths and Connections

ActronAir ESP Plus SRV151E
48 pages
Print Icon
To Next Page IconTo Next Page
To Next Page IconTo Next Page
To Previous Page IconTo Previous Page
To Previous Page IconTo Previous Page
Loading...
Installation and Commissioning Guide - Split Ducted ESP Plus/Ultima Indoor Unit
Doc. No.0525-078 Ver. 2 190925
28
Installation and Commissioning Guide
Split Ducted ESP Indoor Unit
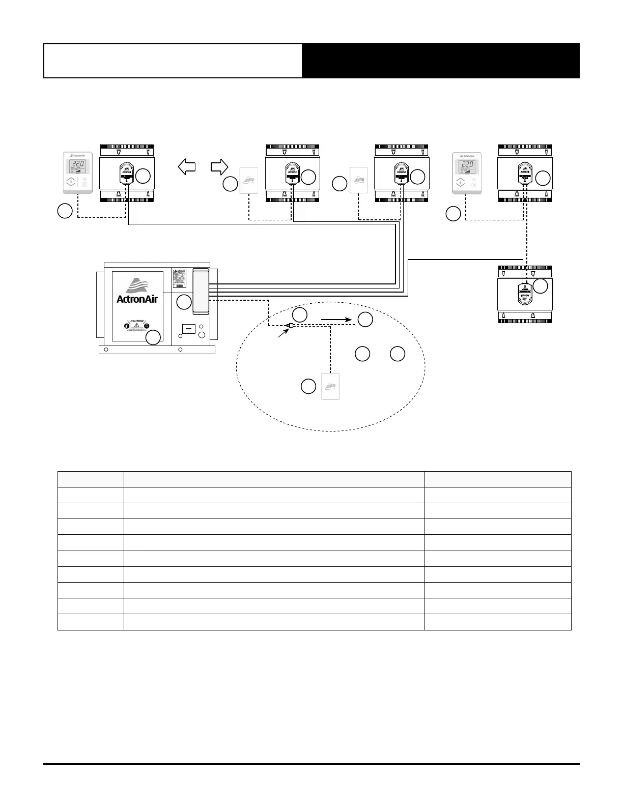
12.02. ESP Ultima
TOTAL LENGTH OF ALL ZONING CABLE MUST NOT EXCEED 250 METRES ^
TOTAL CABLE LENGTH PER INDIVIDUAL ZONE MUST NOT EXCEED 100 METRES**
ITEM DESCRIPTION MAXIMUM CABLE LENGTH * ^
1 to 2 Indoor to Ultima Module factory fitted cable (ESP Ultima) 0.60 m
2 to 3A Ultima Module to Zone Barrel to Zone Control ** 100 m
2 to 4A Ultima Module to Zone Barrel to Zone Sensor ** 100 m
2 to 5A Ultima Module to Zone Barrel ** 100 m
2 to 6B Ultima Module to Zone Barrel to Zone Barrel to Zone Control ** 100 m
2 to 7 Ultima Module to 3-Way Cable Joiner (ActronAir 4070-012) 0.175 m
6 TO 6A Zone Barrel 6 to Zone Barrel 6A (Piggy-Back) **** 95 m
7 to 8 3-Way Cable Joiner to Zone Sensor 50 m
7 to 9 3-Way Cable Joiner to the end of Individual Zone 50 m
Suggested Maximum Cable Length.
Long runs beside Mains cables or TV antenna cables should be avoided where possible.
Diagram shown is a general presentation only. Refer to individual unit wiring diagram for complete connection details.
Maximum Cumulative Cable Length per individual zone must not exceed 100 m per zone.
For Example, 2 to 3A (Optional Zone Barrel with optional Zone Control), if 2 to 3 is 75m, then 3 to 3A must be less than or equal to 25m to
be within the 100m maximum length.
2 to 6B (Optional 2 Piggy-Back Zone Barrel Configuration with optional Zone Control), if 2 to 6is 60m, then 6 to 6B must
be 40m to be within the 100m maximum length.
Recommended maximum cable length, provided total of preceding and subsequent cable connections are only 5m.
Total Cumulative length of all the aggregate cable must not exceed 250 meters. Consult ActronAir for longer cable length requirement.
Total of 10 Zone Barrels are allowed for Ultima system and a maximum of 2 Zone Barrels are allowed per individual zone.
*
**
***
^
^^
6
6A
OPTIONAL
REMOTE SENSOR
OPTIONAL ^^
INTEGRATED ZONE BARRELS
(With Piggy-Back configuration)
OPTIONAL
ZONE SENSOR CONNECTION
(With 3 - Way Joiner)
3
4
5
OPTIONAL
ZONE
CONTROLLER
OPTIONAL
ZONE
CONTROLLER
TO END THE OF
INDIVIDUAL ZONE
Ex.
7
-to-
3A
CABLE JOINER
ACTRONAIR
3WAY RJ45 ***
4070012
8
7
3A
9
4A
6B
5A
2
8  ZONE
MO DULE
R-410A
“CAUTION”
PLEASE ENSURE THERE IS
NO GAS / PRESSURE IN THE
FAN COIL UNIT BEFORE
REMOVING COPPER END CAPS.
3570-043
1
INTEGRATED ZONE BARRELS
(1-Zone Up To 8-Zone Options / Max. of 10 Zone Motors per System ^^)
INDOOR UNIT
8Z-VAV
8 - ZONE MODULE
(Factory Supplied and Fitted)
OPTIONAL
1 ZONE - UP - TO - 8 ZONES

Related product manuals