EasyManua.ls Logo

Advantech Network Device USB-4761 - Appendix B Function Block

Advantech Network Device USB-4761
38 pages
Print Icon
To Previous Page IconTo Previous Page
To Previous Page IconTo Previous Page
Loading...
USB-4761 User Manual 32
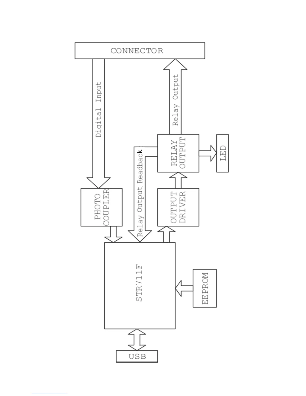
Appendix B Function Block

Table of Contents