EasyManua.ls Logo

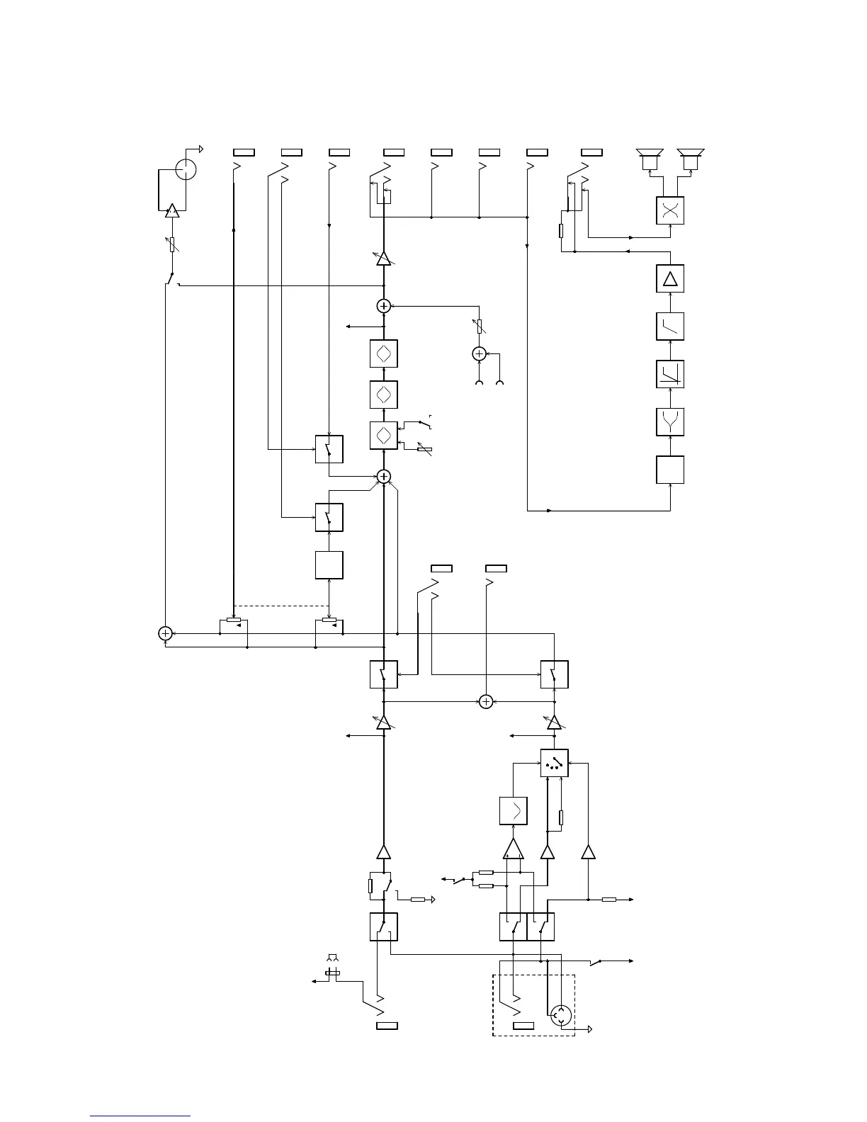
AER Compact Classic pro - 11 Circuit Diagram; 11 Blockschaltbild

AER Compact Classic pro
Print Icon
To Next Page IconTo Next Page
To Next Page IconTo Next Page
To Previous Page IconTo Previous Page
To Previous Page IconTo Previous Page
Loading...
17
11. Blockschaltbild, circuit diagram
B091119_20161017
MIC
PIEZO
LINE
P/M
PIEZO
LINE
WIDE
NARROW
AUX IN
INPUT 2
P/M
47k
47k
GAIN
PREAMP
MUTE
INPUT 1
optional
+15V
MIC
PREAMP
6k8
6k8
+48V
VOICE
PREAMP
PREAMP
680
+5V
GAIN
MUTE
+9V
9V
48V
BASS MIDDLE TREBLE
FREQ
BANDWIDTH
MASTER
L
R
AUX LEVEL
INSERT
LINE OUT
LEFT OUT
RIGHT OUT
SPEAKER EQ PRESENCE
LIMITER
SUBSONIC POWER AMP CROSSOVER
LF
HF
PHONES
470R
FS MUTE
EFFECT PAN
RETURN
SEND
DIGITAL EFFECTS
DI OUT
DI LEVEL
TUNER
FS EFFECT
CW CW
CLIP DETECTION CLIP DETECTION
CLIP DETE
CTION
DI PRE/POST EFFECT
PRE
POST
TR
TR
1
2
3
T R
T R
T R
1
2
3
T R

Related product manuals