EasyManua.ls Logo

AER Compact Mobile2 - Circuit Diagram

AER Compact Mobile2
12 pages
Print Icon
To Previous Page IconTo Previous Page
To Previous Page IconTo Previous Page
Loading...
www.aer-amps.com
CompactMobile2 - 2012_07_GB
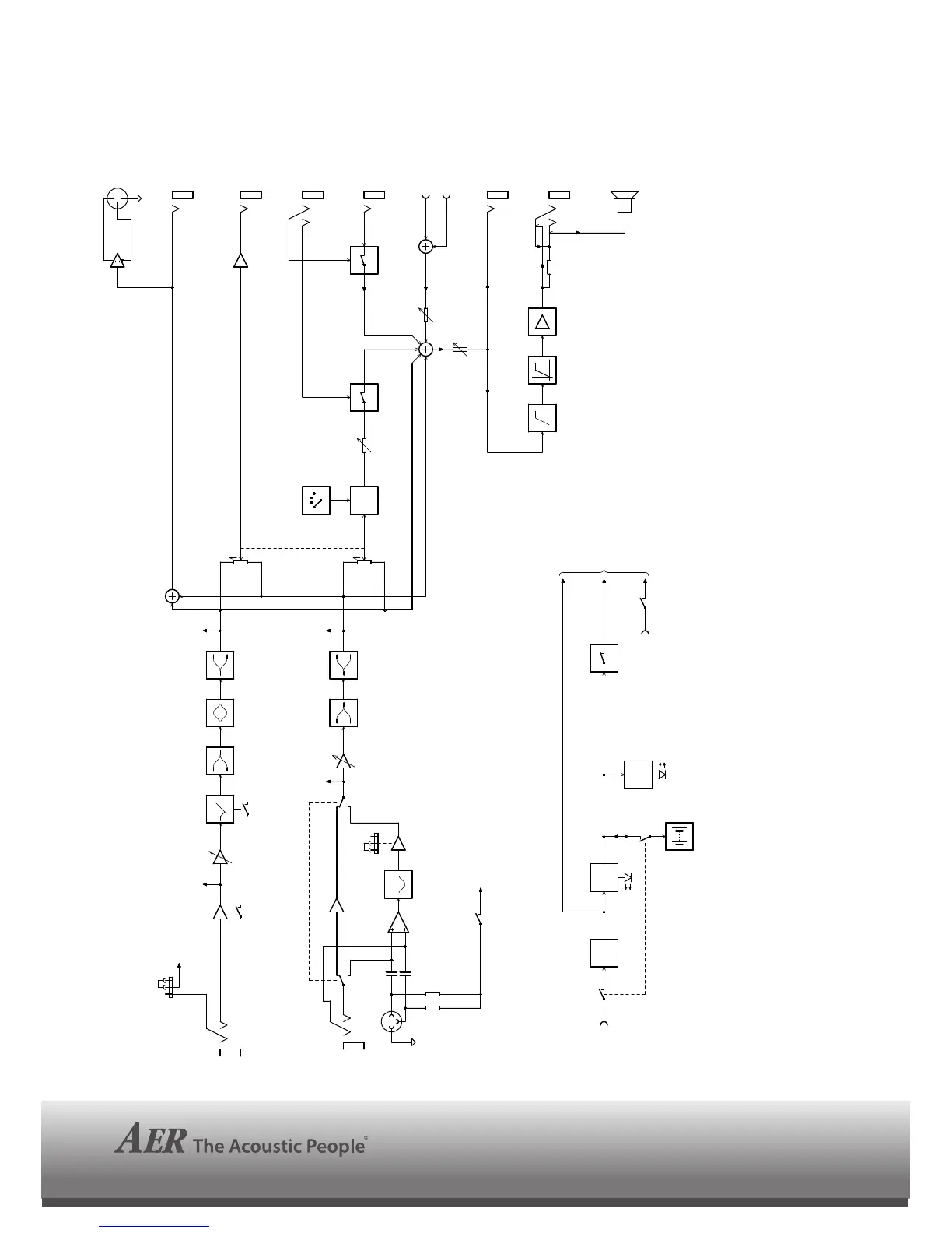
7. Circuit diagram Compact Mobile2
B090408B_20121017
LINE
MIC
MIC
LINE
CH1
PREAMP
+9V
HIGH / LOW
GAIN
COLOUR MIDDLE
COLOUR
SUBSONIC LIMITER
POWER AMP
DIGITAL EFFECTS
DUAL CONE SPEAKER
TUNER
TREBLEBASS
BASS TREBLE
SEND
EFX / LEVEL
MASTER
LINE OUT
FOOTSWITCH
RETURN
HEADPHONES
470R
DI-out
GAIN
+48V
PREAMP
VOICE
6k8
6k8
CH2
EFX / PAN
PREAMP
MIC GAIN H/L
EFX / SELECT
L
R
AUX LEVEL
AC POWER SUPPLY CHARGER
RECHARGEABLE BATTERY
MAINS INPUT
12V DC
POWER
12V DC ON/OFF
CHARGE
LOW BATTERY
48V OFF
/ON
DEEP DISCHARGE PROTECTION
VOLTAGE MONITOR
CLIP DETECTION
CLIP DETECTION
CLIP DETECTION
CLIP DETECTION
9V Phantom Power
AUX IN
BATTERY
(INTEGRATED)
Power supply to amplifier
CW CW
EXTERNAL
TR
T R
T R
1
2
3
1
2
3
TR

Related product manuals