EasyManua.ls Logo

AERMEC NRA-H - Page 42

AERMEC NRA-H
64 pages
Print Icon
To Next Page IconTo Next Page
To Next Page IconTo Next Page
To Previous Page IconTo Previous Page
To Previous Page IconTo Previous Page
Loading...
42
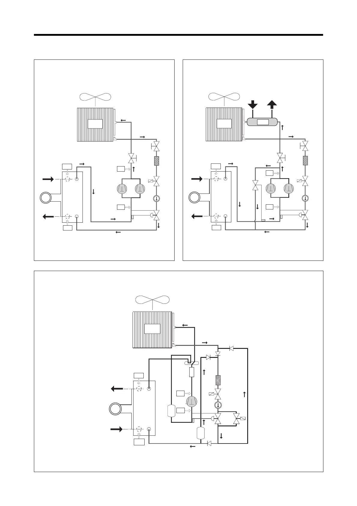
CARATTERISTICHE
FEATURES
R
CP
R
FD
IL
VS
VT
PD
TUA
TIA
BP
AP
EV
CN
V
PD
TUA
TIA
EV
CN
V
FD
IL
VS
VT
S
CP
AP
BP
SL
SA
VSB
VIC
VU
VU
VU
Mod. NRA 251
R
CP
R
FD
IL
VS
VT
PD
TUA
TIA
BP
AP
EV
CN
V
DES
CPCE
Mod. NRA-D 251
Mod. NRA 211 H - 261 H - 311 H
LAY-OUT CIRCUITO FRIGORIFERO E DISPOSITIVI DI CONTROLLO
LAY-OUT OF CHILLER CIRCUIT AND CONTROL DEVICES

Other manuals for AERMEC NRA-H

Related product manuals