EasyManua.ls Logo

AERMEC NRL 0280 E - Nrl Cooling Circuit Heat Pump

AERMEC NRL 0280 E
36 pages
Print Icon
To Next Page IconTo Next Page
To Next Page IconTo Next Page
To Previous Page IconTo Previous Page
To Previous Page IconTo Previous Page
Loading...
8 11_14. 5641200_01
NRL 0280-0750 60Hz
EN
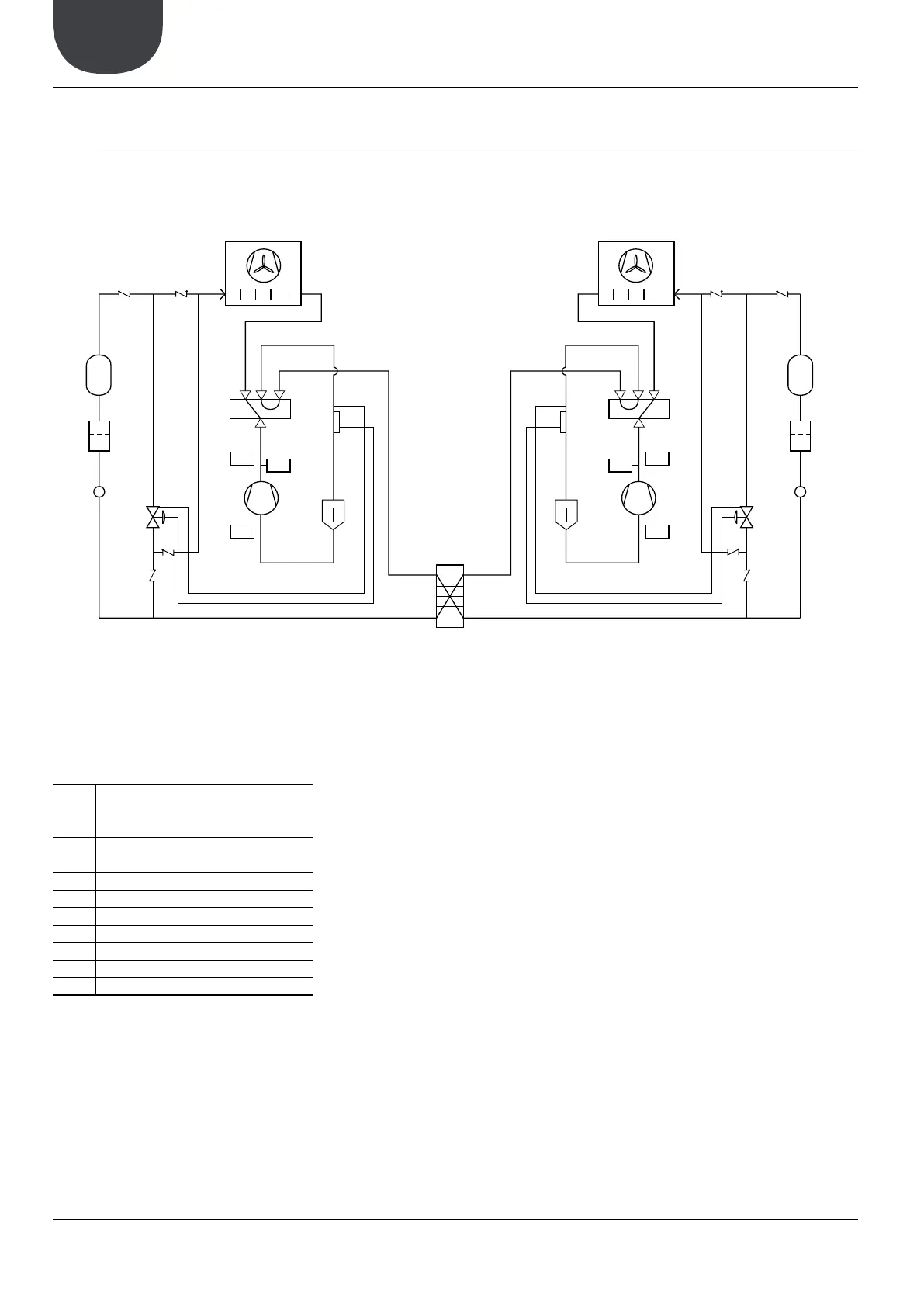
KEY
AL: ACCUMULO DEL LIQUIDO
BHE: SCAMBIATORE A PIASTRE
CN: BATTERIA ALETTATA
CP: COMPRESSORE
CV: VALVOLA DI NON RITORNO
F: FILTRO DEIDRATATORE
HPS: PRESSOSTATO DI ALTA PRESSIONE
HPT: TRASDUTTORE ALTA PRESSIONE
IDL: INDICATORE DI LIQUIDO
LPT: TRASDUTTORE BASSA PRESSIONE
LS: SEPARATORE DI LIQUIDO
VIC: VALVOLA INVERSIONE CICLO
HPT
HPS
LS
VIC VIC
LS
HPS
LPT LPT
HPT
BHE
IDL IDL
CP
CN
CV CV
CV
CV
CV
CN
TEV TEV
F
AL
F
CV
CV
AL
CP
CV
KEY
AL 
BHE 
CN 
CP 
CV 

HPS 
HPT 
IDL 
LPT 
LS 
VIC 
3.2. NRL COOLING CIRCUIT HEAT PUMP

Related product manuals