EasyManua.ls Logo

Aeware in.tune - System Wiring Diagram; Comprehensive Wiring Schematic

Aeware in.tune
37 pages
Print Icon
To Next Page IconTo Next Page
To Next Page IconTo Next Page
To Previous Page IconTo Previous Page
To Previous Page IconTo Previous Page
Loading...
27
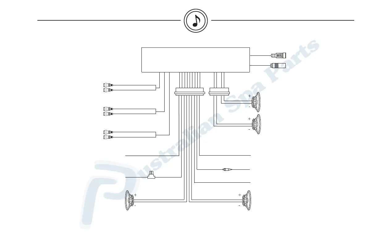
in.tune instructions
CD player
Orange
RCA red (right)
RCA white (left)
Front
left
speaker
Front
right
speaker
Rear
left
speaker
Power antenna
Ignition key switch
Ground (B-)
White
White/Black
Grey
Black
Blue
Green
Green/Black
Red
Grey/Black
Yellow
Battery B+
15A ATC/ATO blade fuse
1A-3AG (AGC) fast acting fuse
Dimmer
Rear
right
speaker
Purple
Antenna
Wired remote control
Front
RCA red (right)
RCA white (left)
Rear
Aux in RCA red (right)
Aux in RCA white (left)
Purple/Black
Wiring diagram
installation & connections