EasyManua.ls Logo

AFG 3.5AE - CHAPTER 4: TROUBLESHOOTING; 4.1 ELECTRICAL DIAGRAM

AFG 3.5AE
37 pages
Print Icon
To Next Page IconTo Next Page
To Next Page IconTo Next Page
To Previous Page IconTo Previous Page
To Previous Page IconTo Previous Page
Loading...
16
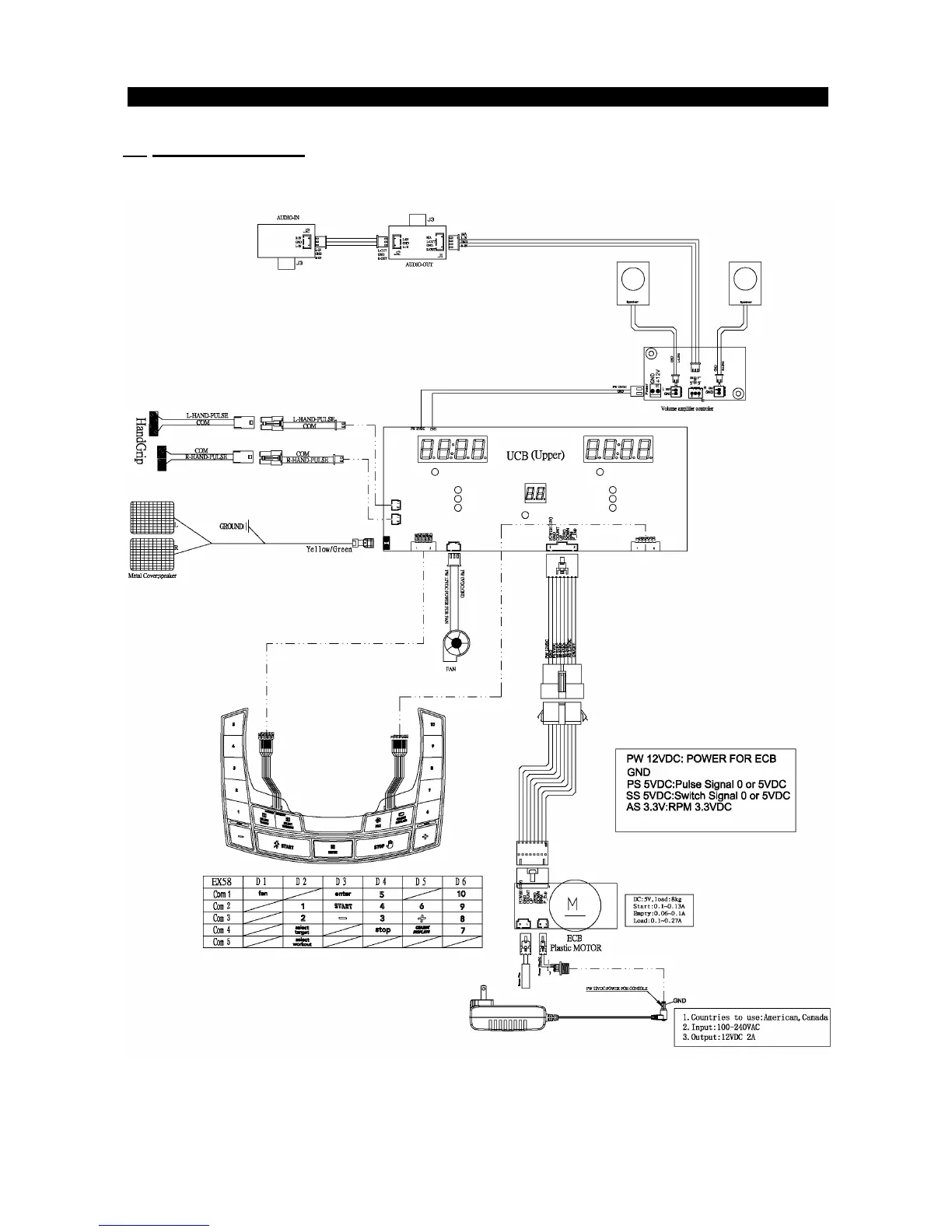
CHAPTER 4: Troubleshooting
4.1
Electrical Diagram

Related product manuals