EasyManua.ls Logo

Afore AF4K-SLP - Communication Connection

Afore AF4K-SLP
51 pages
Print Icon
To Next Page IconTo Next Page
To Next Page IconTo Next Page
To Previous Page IconTo Previous Page
To Previous Page IconTo Previous Page
Loading...
Installation
23
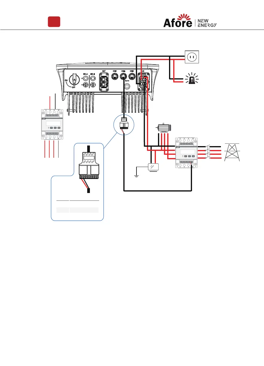
4.4 Communication Connection
The monitoring module could transmit the data to the cloud server, and display
the data on the PC, tablet and smart-phone.
WIFI / Ethernet / GPRS / RS485 communication is applicable to the inverter.
Please refer to "Communication Configuration Instruction" for detailed
instruction.
Install the WIFI / Ethernet / GPRS / RS485 Communication
1 2 3 4 5 6 7 8
Grid
Afore Meter
Three -phase load
Main
Breaker
Load
TV
Grid
Inverter
L3 NL1 L2
ACL
ACN
PIN Assignment
PIN
3-8
1
2
485 B
485 A
/
Emergency light
EPS Power

Related product manuals