EasyManua.ls Logo

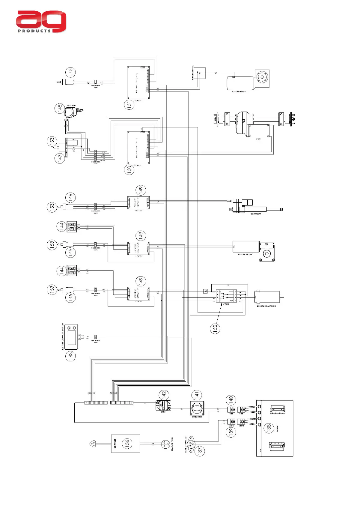
AG Duo - 8.9 ELECTRICAL

Default Icon
75 pages
Print Icon
To Next Page IconTo Next Page
To Next Page IconTo Next Page
To Previous Page IconTo Previous Page
To Previous Page IconTo Previous Page
Loading...
AG Duo Operation Manual
AR / 25.07.23 / Version 1 60
8.9 ELECTRICAL

Table of Contents

Related product manuals