EasyManua.ls Logo

Agilent Technologies 5100 - Page 27

Agilent Technologies 5100
56 pages
Print Icon
To Next Page IconTo Next Page
To Next Page IconTo Next Page
To Previous Page IconTo Previous Page
To Previous Page IconTo Previous Page
Loading...
Laboratory Environment
Agilent 5100 and 5110 ICP-OES Site Preparation Guide 27
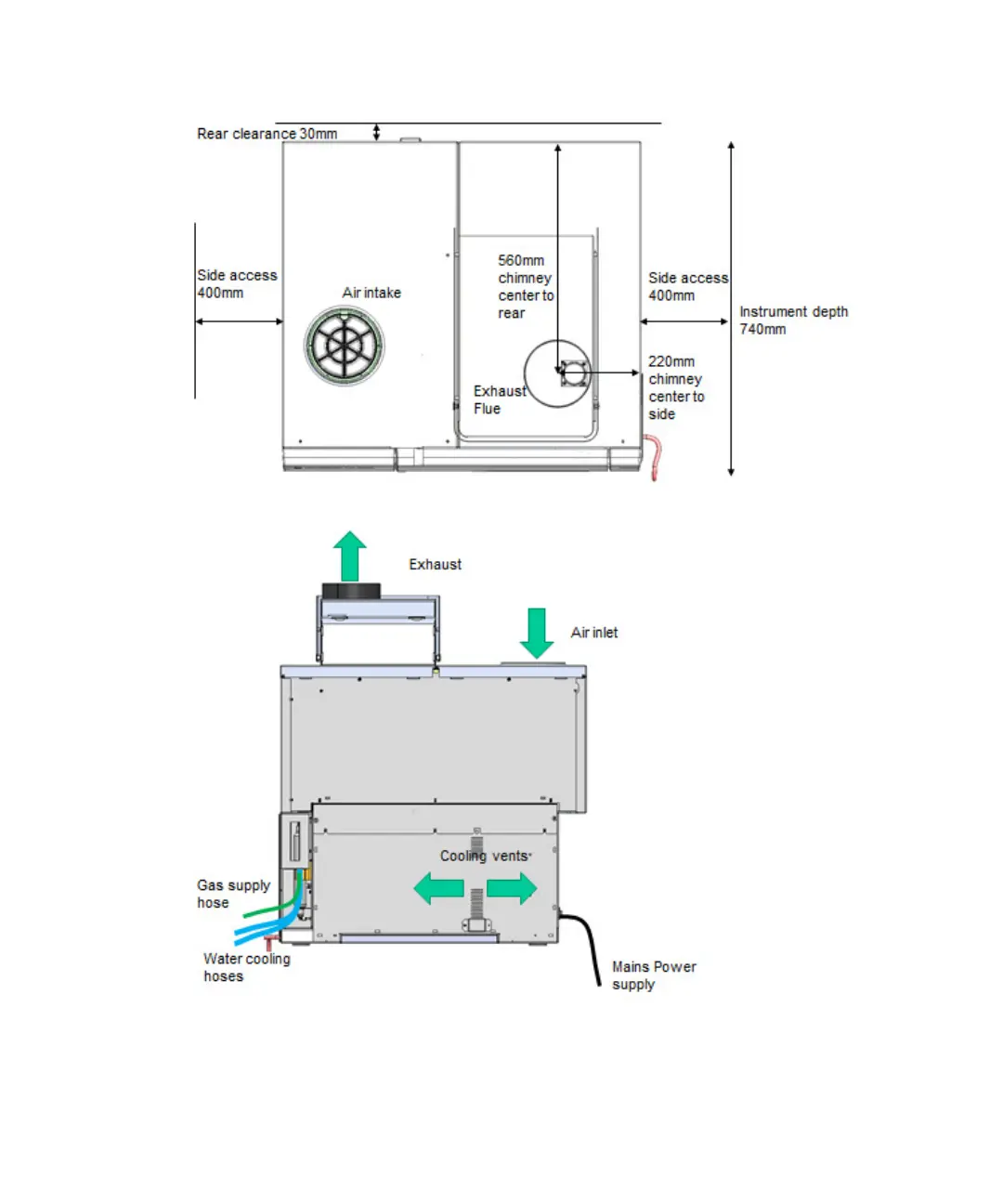
Figure 3. Top view of instrument
Figure 4. Rear view of instrument

Table of Contents

Other manuals for Agilent Technologies 5100

Related product manuals