EasyManua.ls Logo

Agilent Technologies 5100 - Page 38

Agilent Technologies 5100
56 pages
Print Icon
To Next Page IconTo Next Page
To Next Page IconTo Next Page
To Previous Page IconTo Previous Page
To Previous Page IconTo Previous Page
Loading...
Laboratory Facilities
38 Agilent 5100 and 5110 ICP-OES Site Preparation Guide
Agilent Exhaust Fan Electrical Information
Table 5. Exhaust fan motor specifications
Voltage 240 volts single phase 115 volts single phase
Current 0.45 A 0.7 A
Frequency 50 Hz 60 Hz
Power input 74 W 51 W
Direction of rotation Anti-clockwise (shaft end)
Nominal RPM 1600
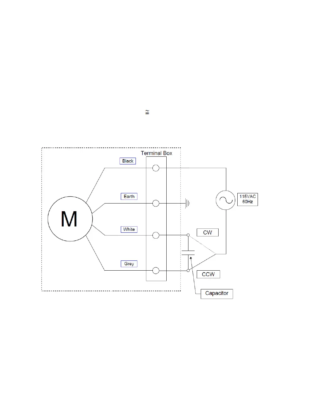
Installation instructions for the exhaust fan are included with the
Agilent-supplied Exhaust Kit.. Figure 9 details exhaust fan wiring
information for the 115 V 60 Hz fan only.
Figure 9. Electrical wiring information for 115 VAC 60 Hz fan only

Table of Contents

Other manuals for Agilent Technologies 5100

Related product manuals