EasyManua.ls Logo

Agilent Technologies 655 A Series - Page 154

Agilent Technologies 655 A Series
179 pages
To Next Page IconTo Next Page
To Next Page IconTo Next Page
To Previous Page IconTo Previous Page
To Previous Page IconTo Previous Page
Loading...
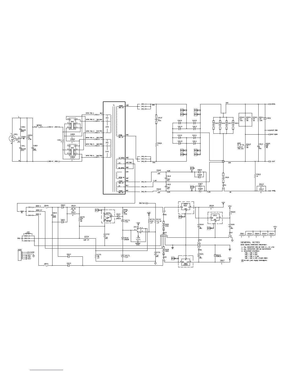
Figure 6-5. A1 Main Board AC Input, Power Rectifier, Bias, and Fan Speed Control Circuits
Schematic Diagram for 654xA & 664xA Models Only (sheet 1B)

Table of Contents

Related product manuals