EasyManua.ls Logo

Agilent Technologies 6674A - Page 83

Agilent Technologies 6674A
161 pages
Print Icon
To Next Page IconTo Next Page
To Next Page IconTo Next Page
To Previous Page IconTo Previous Page
To Previous Page IconTo Previous Page
Loading...
Principles Of Operation 83
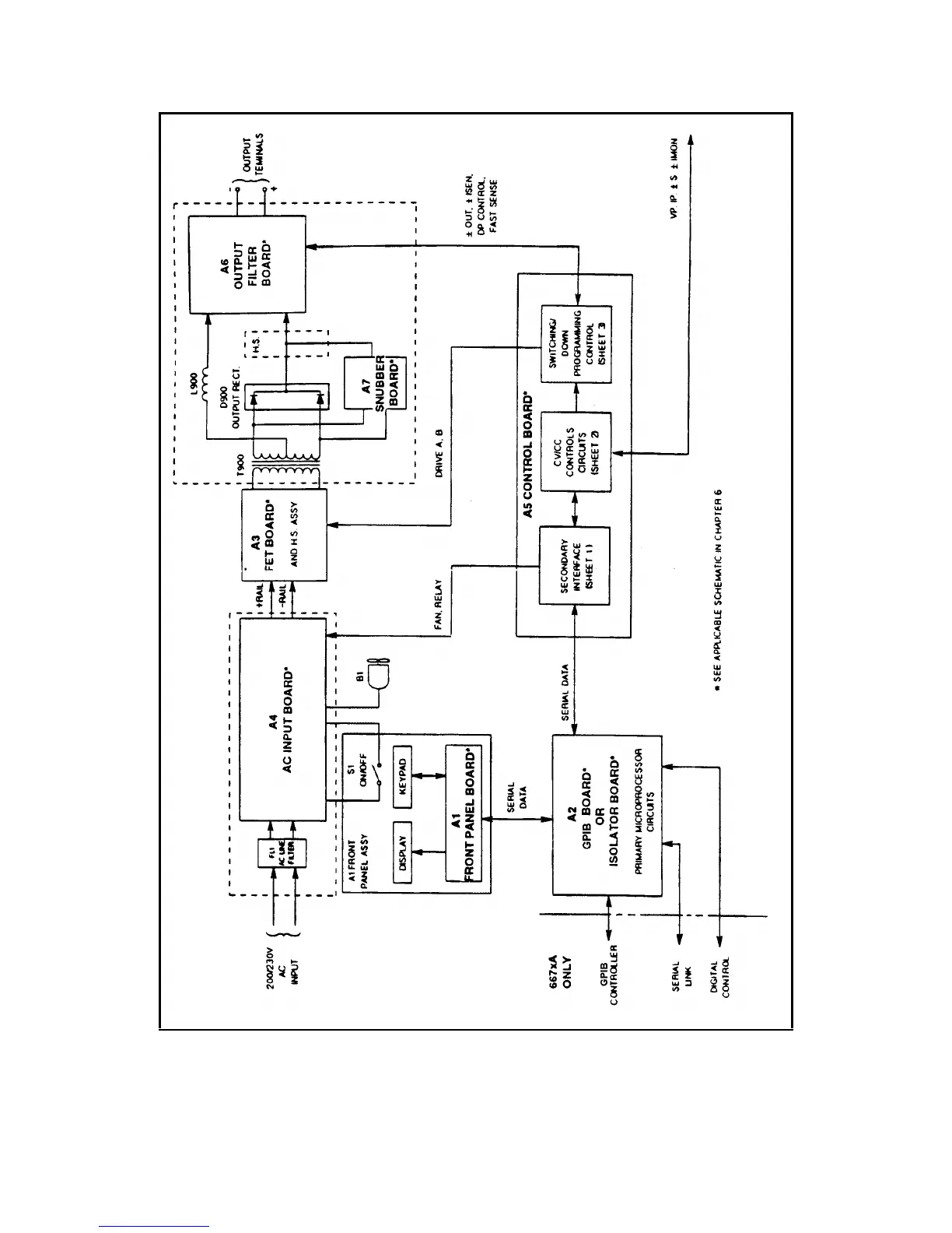
Figure 4-1. Agilent Series 665xA/667xA Power Supply, Block Diagram

Table of Contents

Related product manuals