EasyManua.ls Logo

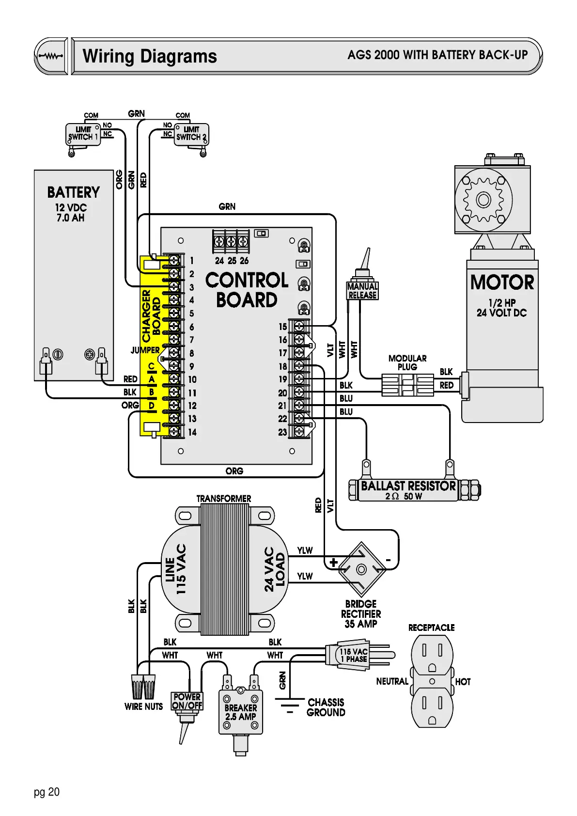
AGS 2000 - Wiring Diagrams; Wiring with Battery Back-Up

AGS 2000
28 pages
Print Icon
To Next Page IconTo Next Page
To Next Page IconTo Next Page
To Previous Page IconTo Previous Page
To Previous Page IconTo Previous Page
Loading...
pg 20
Wiring Diagrams
AGS 2000 WITH BATTERY BACK-UP

Related product manuals