EasyManua.ls Logo

AiRide Firestone - Page 10

AiRide Firestone
28 pages
Print Icon
To Next Page IconTo Next Page
To Next Page IconTo Next Page
To Previous Page IconTo Previous Page
To Previous Page IconTo Previous Page
Loading...
9 firestoneairide.com
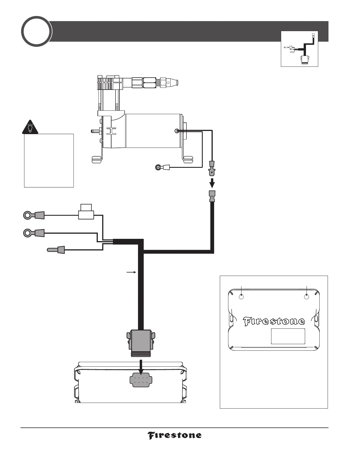
INSTALL THE WIRE HARNESS
5
9961 ECU
BLACK
(GROUND)
RED (+)
30 AMP
IN-LINE FUSE
RED (+)
RED/WHITE
8-PIN ECU
CONNECTOR
(COMPRESSOR)
BATTERY (+)
YELLOW
(NOT USED)
9962 WIRE
HARNESS
9523 AIR
COMPRESSOR
BLACK (-)
BATTERY (-)
1
Route the Wire Harness in
the most protected manner
possible, and securely make
all connections as shown.
Why ground the Wire
Harness to the battery?
The ECU needs a good,
clean ground for opti-
mal accuracy. The Air
Compressor can ground
to the frame, but the
ECU cannot.
RED LED
GREEN LED
9961 ECU
LEDs off – ECU off
Red LED flashing – Errors are present
Green LED flashing – Bluetooth not
connected, normal operation
Green LED solid – Bluetooth connected,
Normal operation
ECU INDICATOR LIGHTS (Inside Case)