EasyManua.ls Logo

AIRLESSCO LP 955 - Wiring Diagrams; 230 V

AIRLESSCO LP 955
44 pages
Print Icon
To Next Page IconTo Next Page
To Next Page IconTo Next Page
To Previous Page IconTo Previous Page
To Previous Page IconTo Previous Page
Loading...
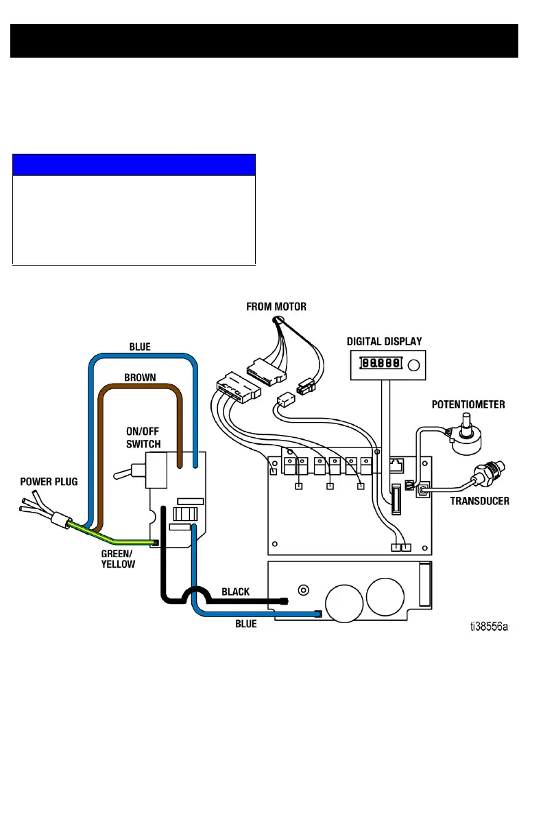
Wiring Diagrams
40 3A7942A
Wiring Diagrams
230V
NOTICE
Heat from inductor coil of filter board may
destroy wire insulation that comes in
contact with it. Exposed wires could cause
shorts and component damage. Bundle
and tie loose wires so none lay in contact
with inductor coil on the filter board.

Related product manuals