EasyManua.ls Logo

AirSep AS-E - Electrical Schematics - As-D+ - As-P

AirSep AS-E
198 pages
Print Icon
To Next Page IconTo Next Page
To Next Page IconTo Next Page
To Previous Page IconTo Previous Page
To Previous Page IconTo Previous Page
Loading...
AS-D+—AS-P Series Instruction Manual 83
AirSep Corporation
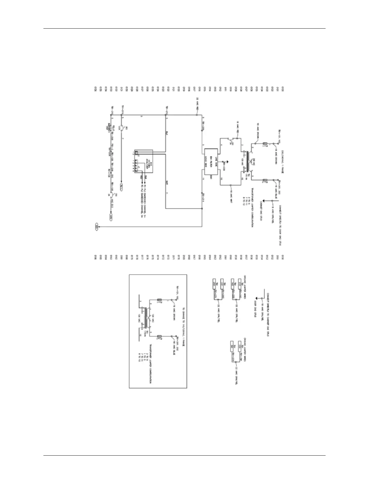
A.3 ELECTRICAL SCHEMATICS – AS-D+ – AS-P
Figure A.19: Electrical Schematic – Sheet 1

Related product manuals