EasyManua.ls Logo

Airstream CLASSIC 2021 - Page 82

Airstream CLASSIC 2021
104 pages
Print Icon
To Next Page IconTo Next Page
To Next Page IconTo Next Page
To Previous Page IconTo Previous Page
To Previous Page IconTo Previous Page
Loading...
Maintenance
8-14 2021 Classic
5� Turn the pump switch OFF after all water has been
removed from the storage tank.
6� Disconnect outlet hose from water pump.
7� If your unit has a winterization kit installed, open
valve to the winterizing position and remove plug.
If your unit does not have this valve, disconnect
the water pump inlet connection. Turn the pump
on until all the water is expelled. This water,
about 1/2 cup, can be caught in a towel or rag.
8� Lower the front of the trailer as far as the jack will
allow until water ceases to drain, and then crank
the jack up as high as it will go and allow any
remaining water to drain out.
9� After the water has stopped running from the drain
lines, apply 50 lb. of air pressure at the city water
inlet. An air-to-city water adapter is available from
your dealer’s RV accessory store. Be sure the toilet
valve and faucets are open, and pump outlet hose
is disconnected. This can be done at a service
station and will force any remaining water from
the water heater and remove any water that may
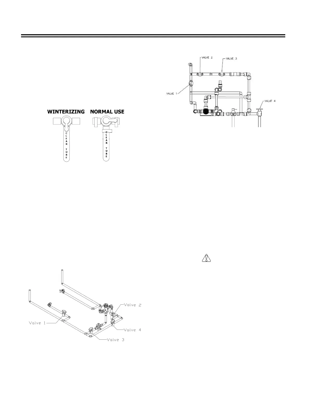
be trapped in low areas. See diagrams below for
proper valve settings.
30’ Classic
Normal operation: 1, 2 , 3 Open / 4 Closed
Bypass Alde: 1, 2, 3 Closed / 4 Open
Winterize: All valves open (If blowing out the
lines, Close 1 & 2)
33’ Classic
Normal operation: 1 & 3 Open / 2 & 4 Closed
Bypass Alde: 1 & 3 Closed / 2 Open
Winterize: Valve 1 & 3 Closed / 2 & 4 Open
10� Pour a cup of approved non-toxic RV antifreeze
that has been listed by a recognized testing
authority such as Underwriter Lab into the lavatory,
sink, and tub drains to prevent trap freeze-up.
11� Be sure to open the waste-holding tank dump
valves, and drain and ush the tanks thoroughly
(this is very important as the sewage in the tanks,
if frozen, could seriously damage the tanks)� Plan
ahead and have this done at a dump station.
12� Remove the batteries from your trailer and store
in a cool, dry place where there is no danger of
freezing. It is very important for optimum life of a
battery to check it periodically and to keep it fully
charged�
CAUTION
Remove all RV antifreeze spillage from all drain
and faucet parts after winterizing. Failure to do
so could result in damage to the nish of the
plumbing xtures.
An Optional method for winterizing protection, is to
add a non-toxic antifreeze (approved for drinking
water system) to the water lines using the following
procedure:
1� Reconnect all lines except the hose to the pump
inlet port. If you have the winterization kit installed,
just reconnect the outlet hose. Close all drain
valves.
2� Drain and turn off the main power to the water
heater
3� Open all water faucets.

Table of Contents

Related product manuals