EasyManua.ls Logo

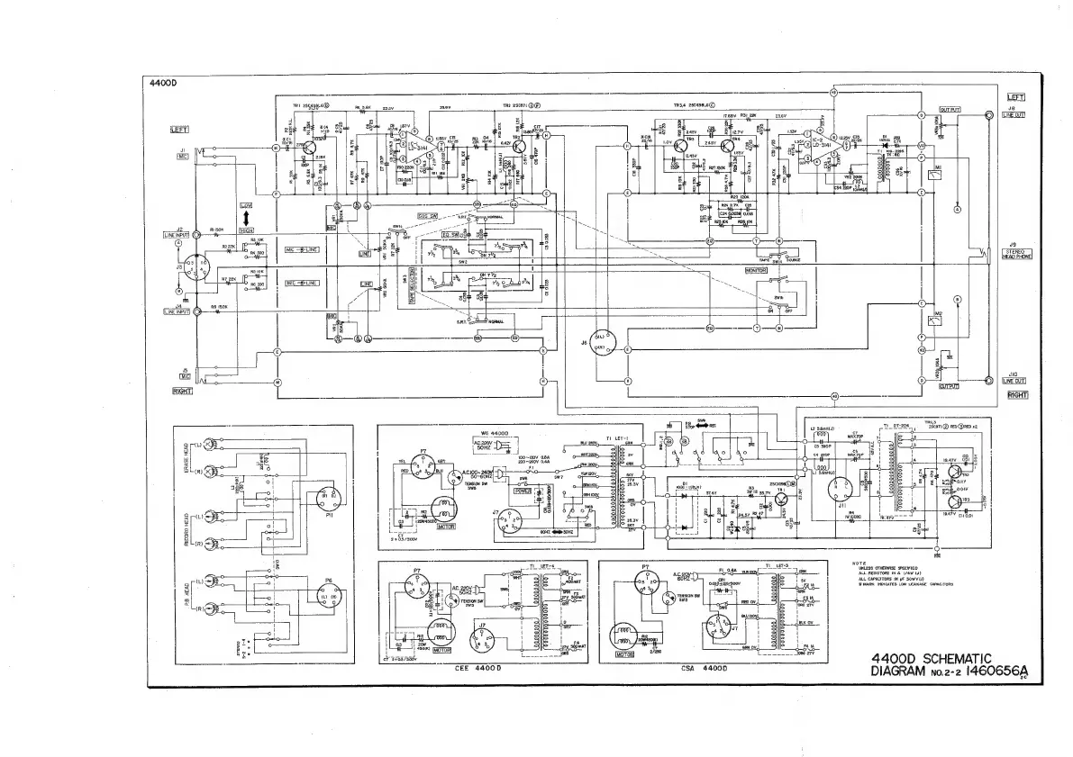
Akai 4400 - 4400 D Schematic Diagram

Akai 4400
34 pages
Print Icon
To Next Page IconTo Next Page
To Next Page IconTo Next Page
To Previous Page IconTo Previous Page
To Previous Page IconTo Previous Page
Loading...
OUTPY
au
ATV
cu'001
ot
meay_
RS}
22K
23ev
Ta3,4
28045016©
*
ato]
cites
vata
wg
sy
"
sy
wey
SIE
Shapes
Fate
jas
eons]
re
250871
©®
2391
2asv
cs
5.
6,
060
Tat
25643
4400D
fe
4400D_
SCHEMATIC
DIAGRAM
no.2-2
4606564
ALL
CAPACITORS
IN
uF
SOWVU)
ALL
RESISTORS
INQ
I/4W
(J)
WNLESS
OTHERWISE
SPECIFIED
NOTE
CSA
44000
CEE
4400D
no20K
Liry
6
©
rw
é
IGHT)
‘aW3H
GuCo3y

Related product manuals