EasyManua.ls Logo

Akai GX-F44R

Akai GX-F44R
70 pages
To Next Page IconTo Next Page
To Next Page IconTo Next Page
To Previous Page IconTo Previous Page
To Previous Page IconTo Previous Page
Loading...
Spectral
MPX
skewing
filter
R
ncode
Input
O
a>
UJ
Q
5
.
na
O
pP®
1
|
|
|
S2
©
O
NR
IN
Anti-
saturation
network
p
Decode
Input
oO
a>
}
|
rd
S3
0
O
©
PO
NR
IN
|
|
Si
MPX
filter
Input
O
Side
chain
route
(REC)
Variable
filter
REC
REC/PB
change
PB
Sie
want
Smoothing
ide
chain
circuit
route(P8)
Fig.
12
(b)
Main
pass
route
Be
Variable
filter
v8
Side
chain
route
Limiter
ap
|
<a
fi
Smoothing
Rectification
circuit
circuit
Spectral
de-skewing
ee
©
Decode
Output
Anti-saturation
network
Main
pass
route
O
Encode
Output
>
ee
Limiter
Variable
filter
>
Side
chain
route
<]
Smoothing
Rectification
circuit
circuit
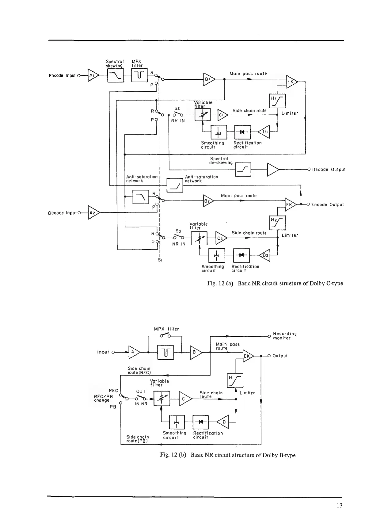
Fig.
12
(a)
Basic
NR
circuit
structure
of
Dolby
C-type
Recording
monitor
Main
pass
route
©
Output
Side
chain
route
Limiter
Rectification
circuit
Basic
NR
circuit
structure
of
Dolby
B-type
13

Related product manuals