EasyManua.ls Logo

AL-KO 38 VB/RL - Page 116

AL-KO 38 VB/RL
Print Icon
To Next Page IconTo Next Page
To Next Page IconTo Next Page
To Previous Page IconTo Previous Page
To Previous Page IconTo Previous Page
Loading...
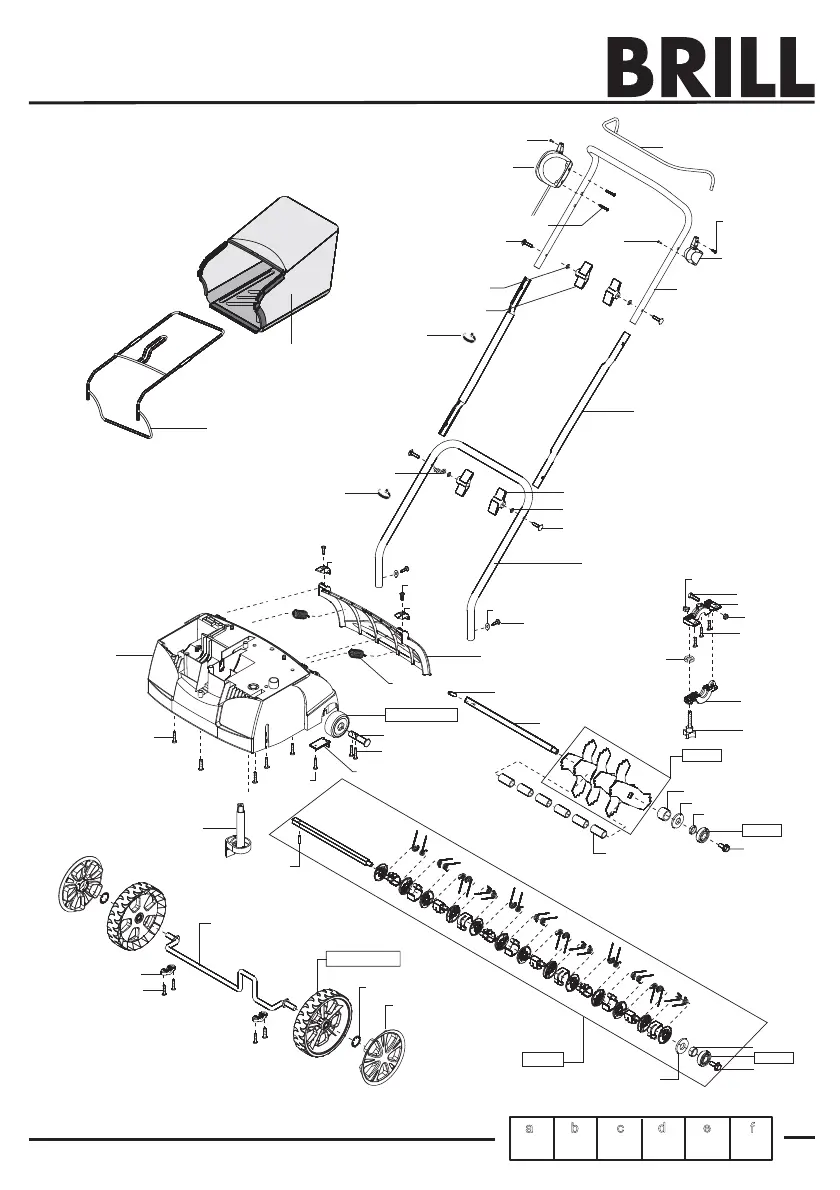
46349134
46706322
46368022 (2)
46030101 (2)
46367522
463705
46221134
46056134 (2)
46367434
46368201 (2)
54475722 (2)
54475722 (2)
1/2
460469
373702
462210
460307 (2)
463504
462496 (2)
462217(2)
462180(2)
462218
701170 (2)
460420
343246
470016
460390
373702
460310
460305
460313
460314
460442
460794
701170 (2)
700137 (2)
349507 (2)
348962 (2)
700137 (2)
702737 (2)
701980
336003 (4)
703027
703704
700119
510176 (3)
700488
462219
700488
701980
510176 (5)
700507
700507
510176 (2)
511615 (2)
511615(2)
703704
460783
470330
460304 (6)
460389
703094
700376 (2)
460771 (2)
462215
462216
38 VB / RL
Art. Nr. 134 149
a b c
d e
f
E 134149
******

Table of Contents

Related product manuals