EasyManua.ls Logo

Aladdin IND600 - Electrical Schematic

Aladdin IND600
24 pages
Print Icon
To Next Page IconTo Next Page
To Next Page IconTo Next Page
To Previous Page IconTo Previous Page
To Previous Page IconTo Previous Page
Loading...
IND600 Heat On Demand
®
ULTRA SYSTEM
Installation Operation
& Service Manual
FOR PARTS & SERVICE CALL 1 (800) 888-5426
20
Electrical parts illustrated on the parts illustration wiring schematic and parts list are for
purposes of illustration only. Only the parts listed are replaceable in the eld by a qualied
electrician. All other service work will require that the Activator be returned to the Aladdin
factory for service. Should the Activator have to be returned for service to the Aladdin factory
contact the Aladdin Temp-Rite Service Department for information regarding the availability of a
"loaner".
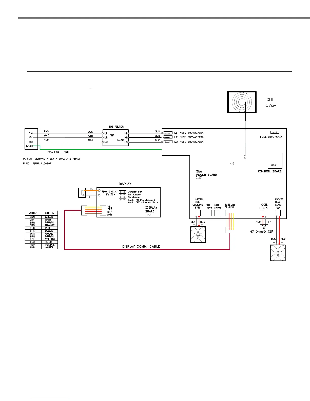
XII. ELECTRICAL SCHEMATIC
SERVICE SPECIFICATIONS: 208VAC/20AMP/3PHASE/60HZ
1.TWIST WIRES WHERE POSSIBLE (L1/L2/L3)
AMBER
PURPLE
COLOR
BLUE
YELLOW
BROWN
WHITE
BLACK
ORANGE
RED
AMB
PRP
BLU
YEL
BRN
WHT
BLK
2.
A
BBR.
RED
ORG
NOTES
GREEN
GRAY
BROWN
BRN
GRY
GRN
GRN: EARTH GND
L3
L2
GND
PLUG: NEMA L15-20P
EMI FILTER
BLK
RED
BLK
WHT
RED
LINE
LOAD
BLK
BLK
BLK
POWER BOARD
COIL
H1
H2
H3
L2
L3
L1
I117
DISPLAY COMM. CABLE
L1
L2
L3
57uH
Electrical Diagram IND600
FUSE 250VAC/1A
DISPLAY
+
-
RED
ORG
YEL
BRN
FAN
I130
SWITCH
CYCLE
T-STAT
-
BLK
+
-
+
WHT
ORG
REDBLK
RED
USED
CONTROL BOARD
SINK
HEAT
67 Ohms@ 72F
FAN
COOLING
COIL
NOT
USED
NOT
BOARD
I152
RED
ORG
YEL
BRN
RED WHT
POWER: 208VAC / 15A / 60HZ / 3 PHASE
Audio OFF (Jumper Set)
DISPLAY
COIL
FUSE 250VAC/20A
FUSE 250VAC/20A
FUSE 250VAC/20A
5kW
24VDC
24VDC
Audio ON (No Jumper)
Jumper Set
No Jumper
No Jumper
L1
WHT
>1.250-
*UNLESS OTHERWISE INDICATED
GENERAL TOLERANCES - LINEAR DIMENSIONS - VARIATIONS IN INCHES
USED ON
VARIATIONS*
PERMISSABLE
(PLUS OR MINUS
INDICATED VALUE)
ANGULAR TOLERANCE IS +/- 30'*
PAGE #VENDOR
DATEDRAWN BY:
BASIC DIMENSIONS
A
B
C
D
X
>.125-
+/- 1/32"
.008
.004.004
.002.002
.250.125
.020-
.015
.030
.012
.006
5.000
.050
.020
.008
.004
1.250
.030
>.250-
ALADDIN synergetics inc.
ECN
NOTICE: THIS DRAWING IS THE PROPERTY OF
ALADD
IN SYNERGETICS, INCORPORATED AND
CONTAINS PROPREITARY INFORMATION OWNED
BY THAT COMPANY. IT IS NOT TO BE USED
EXCEPT IN THE CONSIDERATION OF BIDS OR
IN WHOLE OR IN PART, IS STRICTLY PROHIBITED.
REPRODUCTION OR COPYING OF THIS DRAWING,
PROPOSALS TENDERED HEREWITH.
.080
.125
.030
.012
>12.000-
40.000
.050
.020
.008
12.000
>5.000-
.080
.125
.050
.020
>40.000-
80.000
.200
REV. DATE DESCRIPTION BY
Part No.:
Title
Nashville, TN
Scale:
Sheet
Dwg. No.:
Sales Code:
of
IND600 ELECTRIC DIAGRAM
NONE
RDC 7/23/07
ELECTRIC
IND600 elect.
1 1
IND600
A DRAWING RELEASE7/23/07 RDC
IND600
+
-
N/O