EasyManua.ls Logo

Alesis MULTIMIX8 USB2.0 - Glossary; Technical Terms Definitions

Alesis MULTIMIX8 USB2.0
58 pages
Print Icon
To Next Page IconTo Next Page
To Next Page IconTo Next Page
To Previous Page IconTo Previous Page
To Previous Page IconTo Previous Page
Loading...
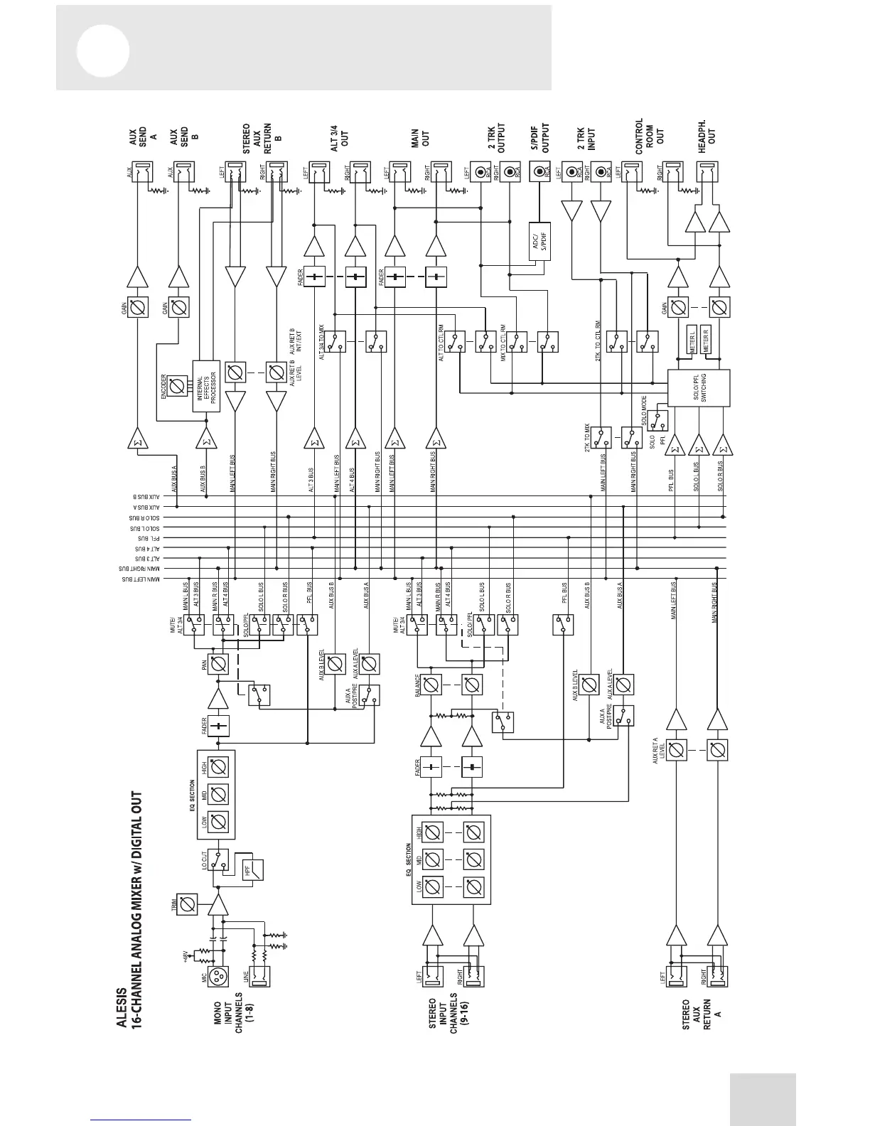
9 Block Diagrams
51

Table of Contents

Related product manuals