EasyManua.ls Logo

Alfa Laval Micro STC2 - 17 Schéma de Câblage Électrique; Micro RTC

Alfa Laval Micro STC2
276 pages
Print Icon
To Next Page IconTo Next Page
To Next Page IconTo Next Page
To Previous Page IconTo Previous Page
To Previous Page IconTo Previous Page
Loading...
Alfa Laval Micro
Consignes d'installation, d'entretien et d'exploitation
49
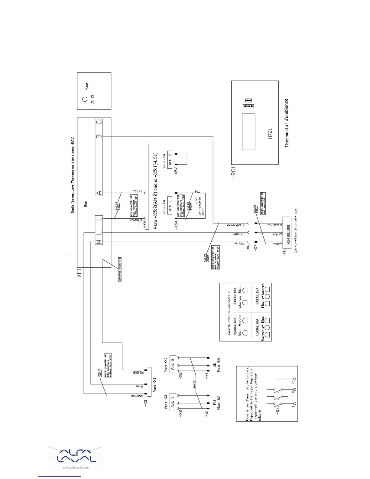
17 Schéma de câblage électrique
17.1 Micro RTC
Photo 37

Table of Contents

Other manuals for Alfa Laval Micro STC2

Related product manuals