EasyManua.ls Logo

Alfa Laval Micro STC2 - 17 Electrical Circuit Diagram; Micro RTC

Alfa Laval Micro STC2
276 pages
Print Icon
To Next Page IconTo Next Page
To Next Page IconTo Next Page
To Previous Page IconTo Previous Page
To Previous Page IconTo Previous Page
Loading...
Alfa Laval Micro
Installation, service and operating instruction
49
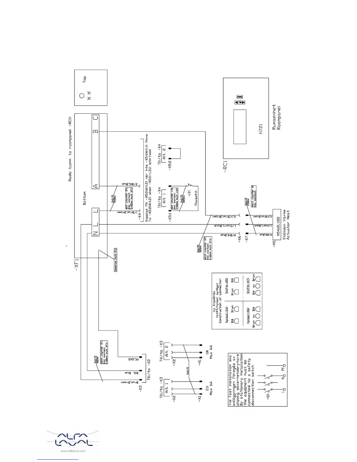
17 Electrical circuit diagram
Micro RTC 17.1
Picture 37

Table of Contents

Other manuals for Alfa Laval Micro STC2

Related product manuals