EasyManua.ls Logo

Alfa Laval Micro STC2 - 18 Schematisch Diagram, Hoofdonderdelen; Aquamicro; Micro DPC

Alfa Laval Micro STC2
276 pages
Print Icon
To Next Page IconTo Next Page
To Next Page IconTo Next Page
To Previous Page IconTo Previous Page
To Previous Page IconTo Previous Page
Loading...
Alfa Laval Micro
Instructies voor installatie, onderhoud en bediening
51
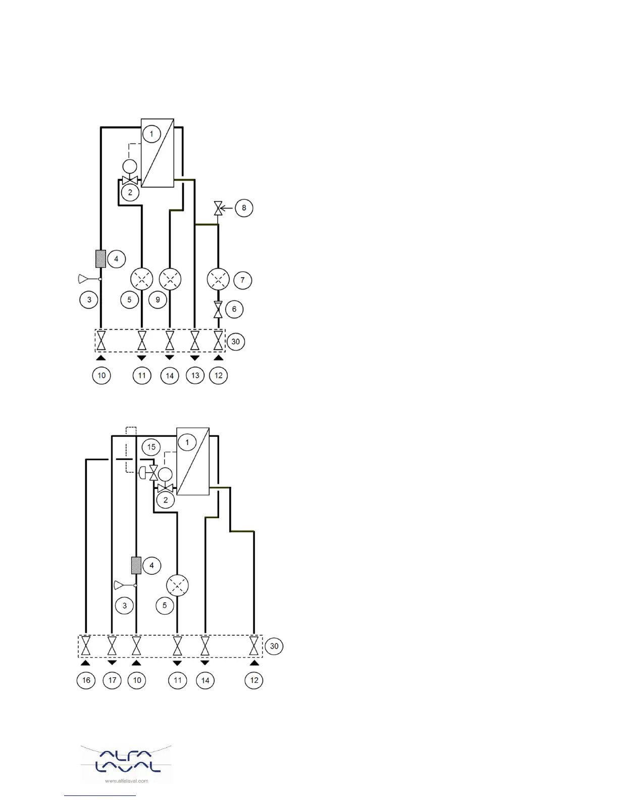
18 Schematisch diagram, hoofdonderdelen
18.1 AquaMicro
Afbeelding 39
18.2 Micro DPC
Afbeelding 40

Table of Contents

Other manuals for Alfa Laval Micro STC2

Related product manuals