EasyManua.ls Logo

Alfa Laval Micro STC2 - Micro STC Et Micro STC2

Alfa Laval Micro STC2
276 pages
Print Icon
To Next Page IconTo Next Page
To Next Page IconTo Next Page
To Previous Page IconTo Previous Page
To Previous Page IconTo Previous Page
Loading...
Alfa Laval Micro
Consignes d'installation, d'entretien et d'exploitation
50
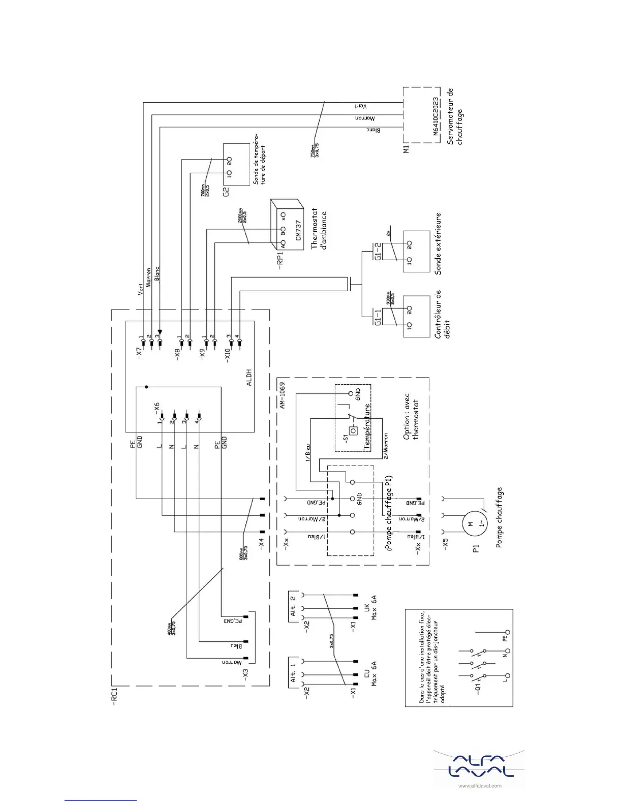
17.2 Micro STC et Micro STC2
Photo 38

Table of Contents

Other manuals for Alfa Laval Micro STC2

Related product manuals