EasyManua.ls Logo

Alinco DR-135 - 24 Lc32 A (Xa0604); S-80845 Almp-Ea9-T2 (Xa0620); L88 Ms05 Tll (Xa0675)

Alinco DR-135
71 pages
Print Icon
To Next Page IconTo Next Page
To Next Page IconTo Next Page
To Previous Page IconTo Previous Page
To Previous Page IconTo Previous Page
Loading...
25
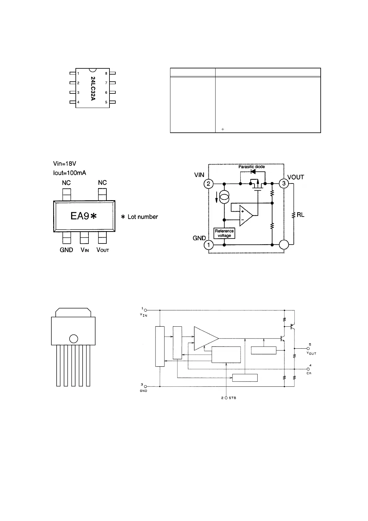
14) 24LC32A (XA0604)
A0
A1
A2
Vss SDA
SCL
WP
Vcc
Name
Function
Vss
Ground
A0..A2
User Configurable Chip Selects
SDA
Serial Address/Data I/O
SCL
Serial Clock
WP Write Protect Input
Vcc
2.5V~6.0V Power Supply
PDIP
15) S-80845ALMP-EA9-T2 (XA0620)
16) L88MS05TLL (XA0675)
1
1. VIN
2. STB
3. GND
4. Cn
5. VOUT
2345
Pin Assignment
5V Voltage Regulator With On/Off Function
Start-up circuit
Reference voltage
Error
amp
Thermal protector
Short circuit
protector
ON/OFF
Control

Table of Contents

Other manuals for Alinco DR-135

Related product manuals