EasyManua.ls Logo

Alinco DR-135 - An8010 M (Xa0119); Tk10489 M (Xa0314)

Alinco DR-135
71 pages
Print Icon
To Next Page IconTo Next Page
To Next Page IconTo Next Page
To Previous Page IconTo Previous Page
To Previous Page IconTo Previous Page
Loading...
26
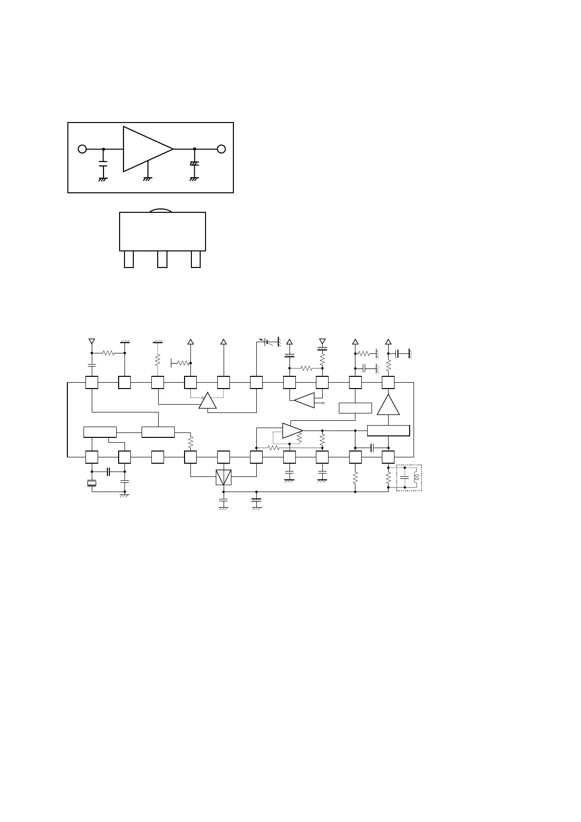
17) AN8010M (XA0119)
3
1
2
AN8010M
Vin Vout
0.33µF
10µF
CA
Output Common Input
Test Circuit
Voltage Regulator
AN8010M
18) TK10489M (XA0314)
20 19 18 17 16 15 14 13 12 11
10987654321
AMP
QUAD DET
IF
AMP
SQUELCH
NC
AMP
-
+
S DET
GND
OSC MIX
Vcc
Vcc
+
+
+

Table of Contents

Other manuals for Alinco DR-135

Related product manuals