EasyManua.ls Logo

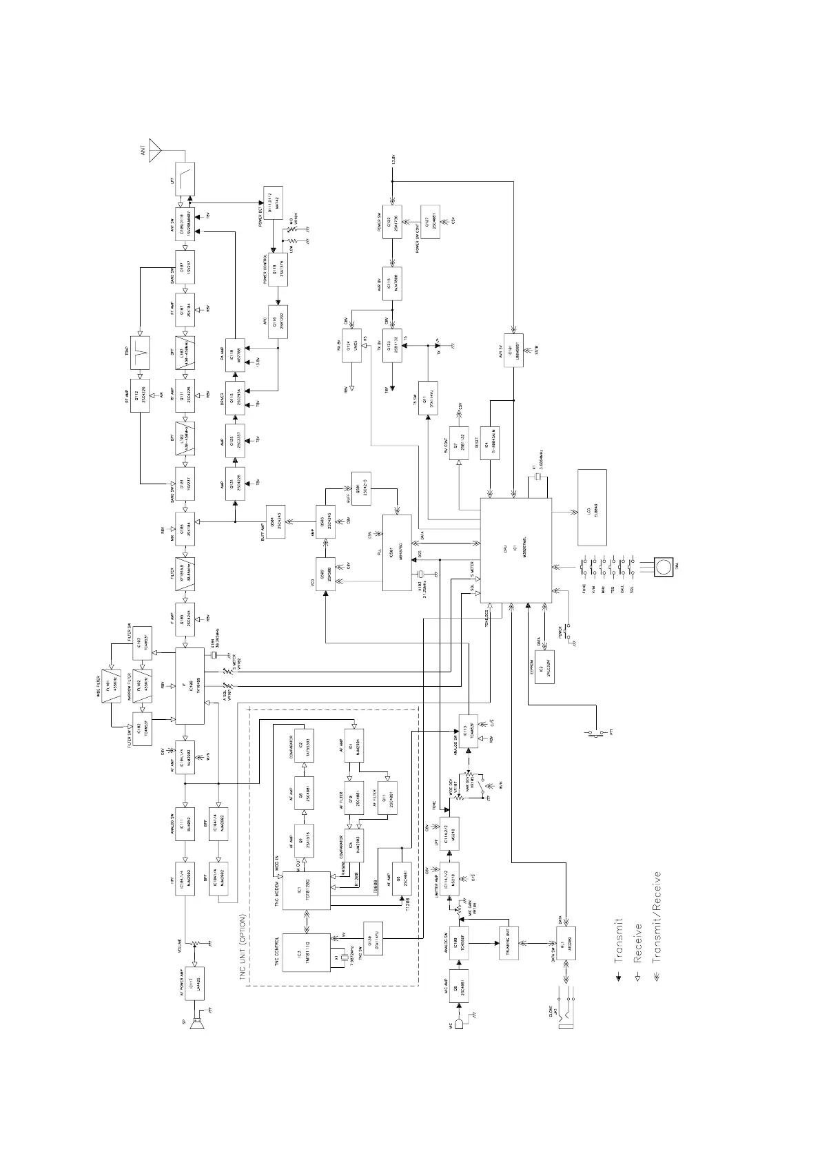
Alinco DR-135 - DR-435 Block Diagram

Alinco DR-135
71 pages
Print Icon
To Next Page IconTo Next Page
To Next Page IconTo Next Page
To Previous Page IconTo Previous Page
To Previous Page IconTo Previous Page
Loading...
70
3) DR-435

Table of Contents

Other manuals for Alinco DR-135

Related product manuals