EasyManua.ls Logo

Alinco DR-M03SX - Page 31

Alinco DR-M03SX
42 pages
Print Icon
To Next Page IconTo Next Page
To Next Page IconTo Next Page
To Previous Page IconTo Previous Page
To Previous Page IconTo Previous Page
Loading...
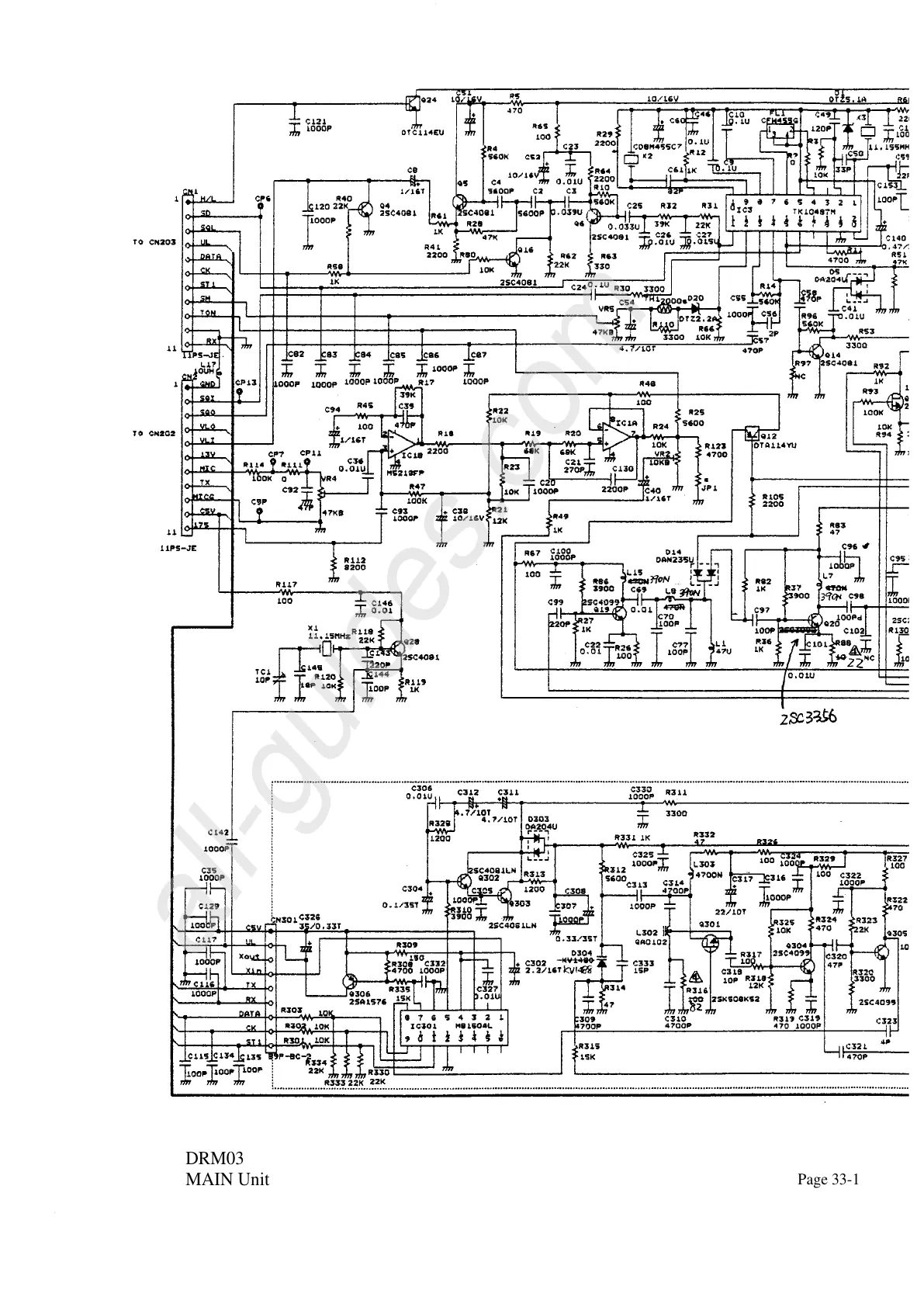
DRM03
MAIN Unit
Page 33-1
All manuals and user guides at all-guides.com
all-guides.com