EasyManua.ls Logo

ALKOTA 2142 - Burner Assembly; Exploded View; Parts List

Default Icon
40 pages
Print Icon
To Next Page IconTo Next Page
To Next Page IconTo Next Page
To Previous Page IconTo Previous Page
To Previous Page IconTo Previous Page
Loading...
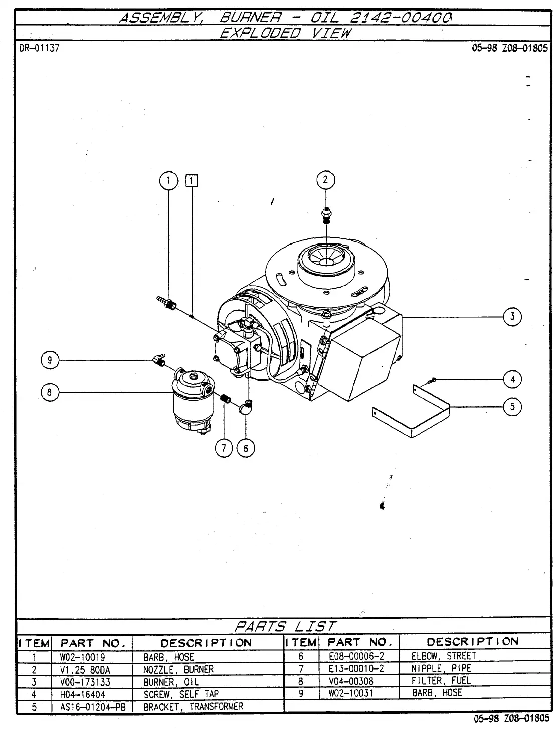
ASSEMBL Y, BURNER -OIL 2142-00400
EXPLODED VIEhi
DR-Q1137 05-98 ZO8-01805
I
3
9
8 .'" CD
5
,f
;,..
C;
PARTS LIST
ITEM PART NO. DESCRIPTION ITEM PART NO. DESCRIPTION
1 W02-10019 BARB. HOSE 6 E08-Q0006-2 ELBOW, STREET
2 V1.2580DA NOZZLE. BURNER 7 E13-Q001Q-2 NIPPLE. PIPE
3 VOO-173133 BURNER, Oil 8 VO4-QO308 FilTER. FUEL
4 HO4-16404 SCREW. SELF TAP 9 WO2-10031 BARB. HOSE
5 AS16-Q1204-PB BRACKET. TRANSFORMER
05-98 ZO8-01805

Table of Contents

Related product manuals