EasyManua.ls Logo

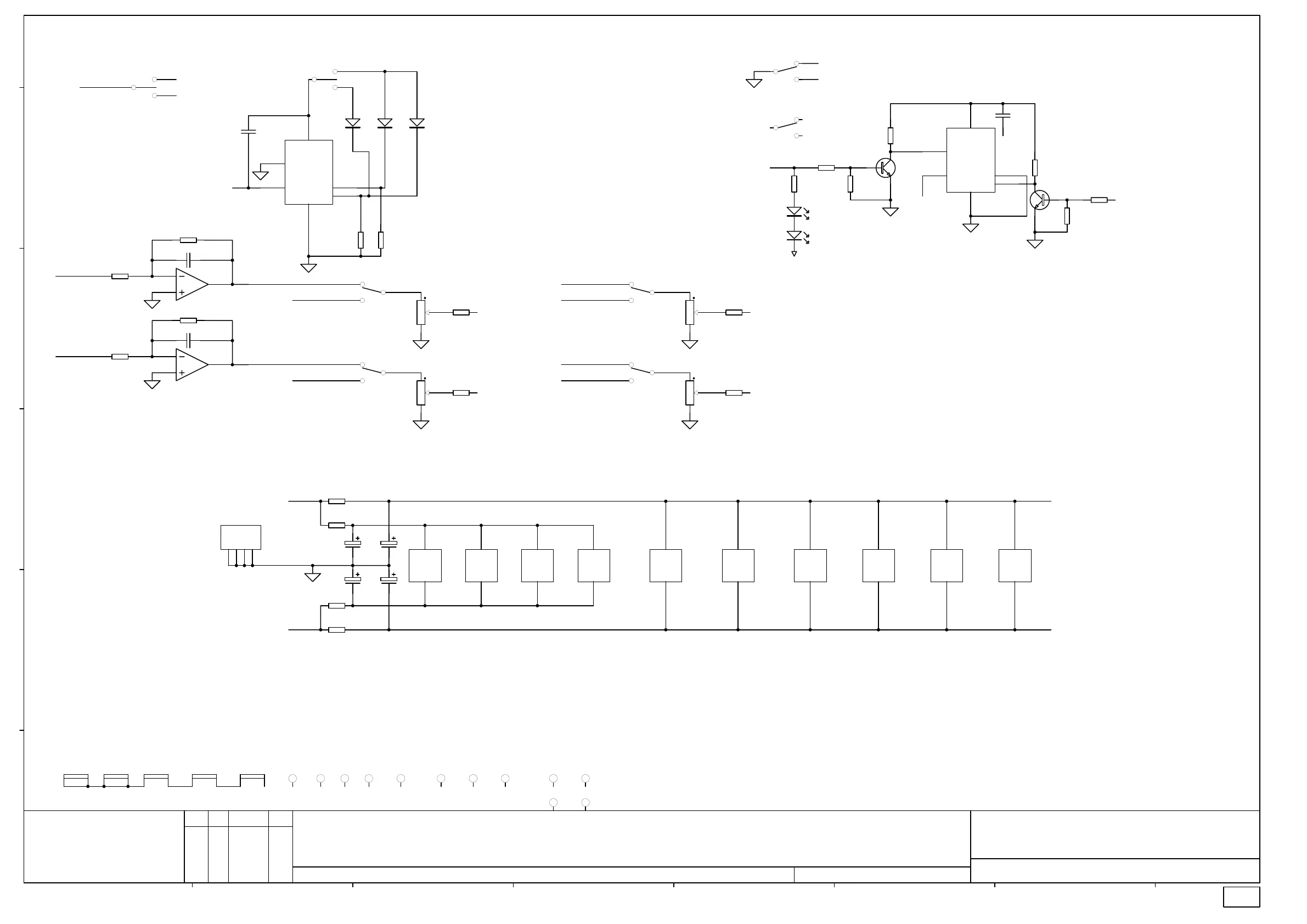
ALLEN & HEATH XONE 92 - Stereo Channel Schematic (Sheet 2)

ALLEN & HEATH XONE 92
54 pages
Print Icon
To Next Page IconTo Next Page
To Next Page IconTo Next Page
To Previous Page IconTo Previous Page
To Previous Page IconTo Previous Page
Loading...
Kernick Industrial Estate,
Penryn, Cornwall,
England. TR10 9LU
+44 (0)8707 556250
+44 (0)8707 556251
3
XONE 92 STEREO CHANNEL
C5299 2 2
PAGE:
TITLE:
DRG No: ISSUE: SHEET: OF
ISSUE BY DATE
FILE: AG5299 ISS 3 Stereo SHEET 2 10:05:13 21-Sep-2004
ALLEN&HEATH
Tel:
Fax:
PRINTED:
ABCDEFGH
a
b
c
d
e
CHK
BY
INH
6
A
10
B
9
VEE
7
VCC
16
GND
8
U9C
74HC4052D
INH
6
A
10
B
9
VEE
7
VCC
16
GND
8
U8C
74HC4052D
Y_DC
X_DC
XFADE_SND
+5V
-5V
CUE_RTN
R116
2K21%
R117
2K21%
C19
100N
Q6
BC848B
Q5
BC848B
R121
2K2 1% 0805
R120
2K2 1% 0805
R118
2K21%
R122
100R
R105
100K1%
+5V
-5V
EQ_SLCT
R119
470R
MTR_GND
CUE_NC
CUE_NO
2
1
3
SW6A
5
4
6
SW6B
1 6
4
VR1A
20K
2 5
3
VR1B
20K
8
9
BRKT
VR1C
8
9
BRKT
VR2C
2
1
3
SW1A
5
4
6
SW1B
POST_EQ_L
POST_FADE_L_A
POST_FADE_R_A
POST_EQ_R
AUX_1_L
AUX_1_R
1 6
4
VR2A
20K
2 5
3
VR2B
20K
2
1
3
SW2A
5
4
6
SW2B
POST_EQ_L
POST_FADE_L_A
POST_FADE_R_A
POST_EQ_R
AUX_2_L
AUX_2_R
R123
9K1
R124
9K1
R125
9K1
R126
9K1
C20
100N
-5V
R6
47K
V-
4
V+
8
U2C
TL072D SMD
V-
4
V+
8
U3C
TL072D SMD
V-
4
V+
8
U1C
TL072D SMD
V-
4
V+
8
U7C
TL072D SMD
V-
4
V+
8
U4C
TL072D SMD
V-
4
V+
8
U5C
TL072D SMD
V-
4
V+
8
U6C
TL072D SMD
R128
10R PF
R129
10R PF
R127
10R PF
R130
10R PF
C33
100/25
C34
100/25
C35
100/25
C36
100/25
+15V
-15V
+VB
-VB
+VA
-VA
8
9
BRKT
VR3C
1
2
3
4
CN4
EARTH SCREW TERMINAL NARROW
3
2
1
U11A
TL072D SMD
C69
100P
5
6
7
U11B
TL072D SMD
C70
100P
R112
10K 1%
R115
10K 1%
R113
10K 1%
R114
10K 1%
POST_FADE_L
POST_FADE_R
V-
4
V+
8
U11C
TL072D SMD
2
1
3
U
D
SW5A
2
1
3
U
D
SW4A
4
5
BRKT
SW5B
4
5
BRKT
SW4B
LP1 FID1 FID2 AI1 AI2 FID3 FID4 FID5 AI3 AI4
D1
LL4148
D2
LL4148
D3
LL4148
V-
4
V+
8
U12C
TL072D SMD
V-
4
V+
8
U13C
TL072D SMD
LD11
RD
LD12
RD
AI5 AI6
1 ARJ 07-11-03
2 ARJ 18/12/03
3 ARJ 18/03/04
003-137 iss.3

Other manuals for ALLEN & HEATH XONE 92

Related product manuals