EasyManua.ls Logo

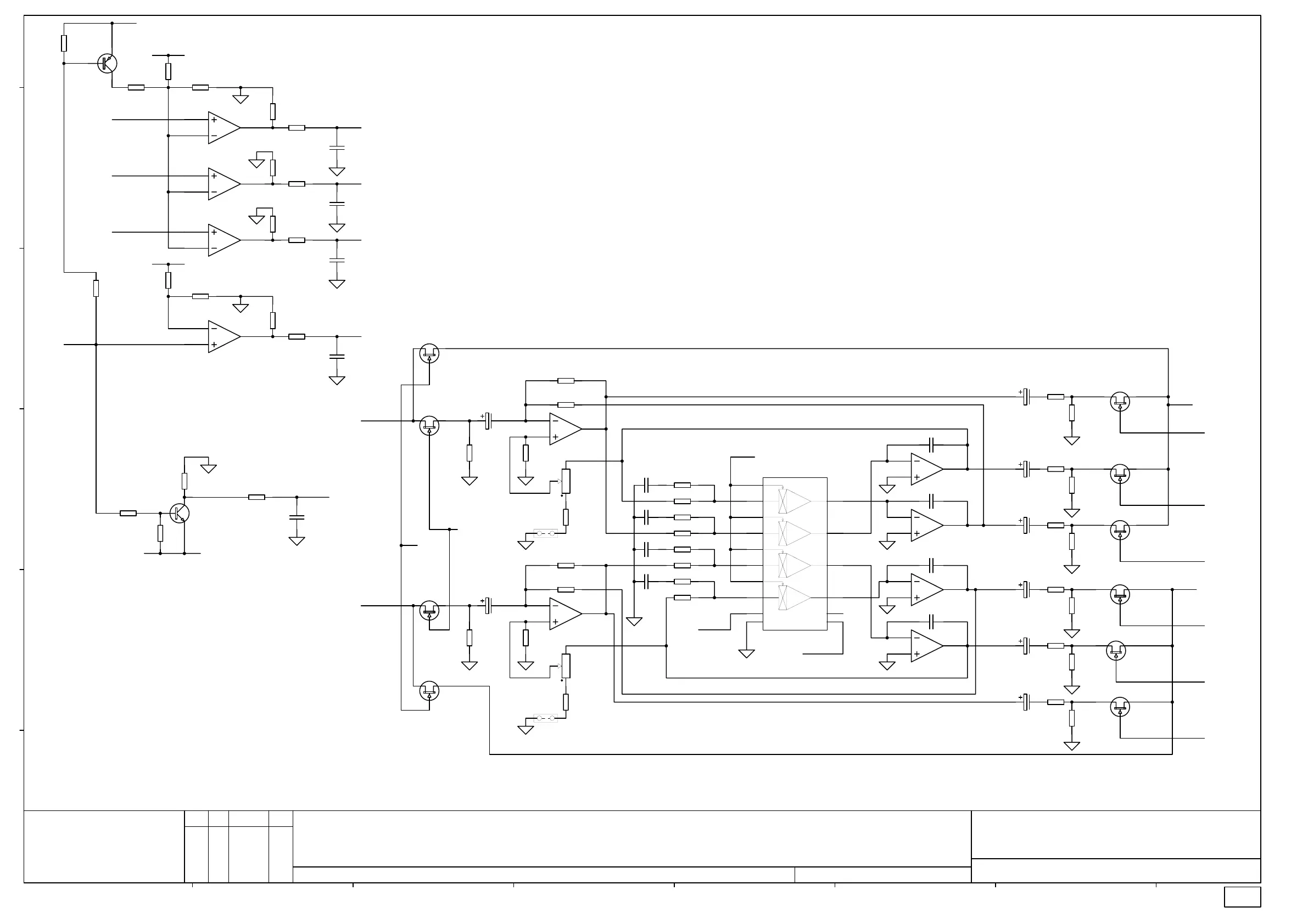
ALLEN & HEATH XONE 92 - Filter;MIDI PCB Schematic (Sheet 2)

ALLEN & HEATH XONE 92
54 pages
Print Icon
To Next Page IconTo Next Page
To Next Page IconTo Next Page
To Previous Page IconTo Previous Page
To Previous Page IconTo Previous Page
Loading...
Kernick Industrial Estate,
Penryn, Cornwall,
England. TR10 9LU
+44 (0)8707 556250
+44 (0)8707 556251
2
XONE 92 FILTER/MIDI PCB
C5300 2 3
PAGE:
TITLE:
DRG No: ISSUE: SHEET: OF
ISSUE BY DATE
FILE: AG5300 ISS 2 SHEET 2.SCH 16:15:57 12-Feb-2004
ALLEN&HEATH
Tel:
Fax:
PRINTED:
ABCDEFGH
a
b
c
d
e
CHK
BY
3
2
1
U1A
TL072D SMD
3
2
1
U2A
TL072D SMD
5
6
7
U2B
TL072D SMD
MD
1
2
3
4
5
6
7
GND
8
V-
9
10
11
12
13
14
15
V+
16
VCA1
VCA2
VCA3
VCA4
U9
SSM2164S_1(16)
R67
30K1%
R36
470R
C9
470P
R68
30K1%
R37
470R
C10
470P
R69
30K1%
R38
470R
C11
470P
R70
30K1%
R39
470R
C12
470P
VCF_DC
-VA
+VA
C23
1N0 0805
C22
1N0 0805
R63
4K7 1%
R4
10K
R5
10K
25
3
VR2B
20KK
R65
3K9 0805
5
6
7
U1B
TL072D SMD
R64
4K7 1%
R10
10K
R11
10K
16
4
VR2A
20KK
R66
3K9 0805
3
2
1
U3A
TL072D SMD
5
6
7
U3B
TL072D SMD
C25
1N0 0805
C24
1N0 0805
R12
10K
R13
10K
R7
10K
R15
10K
R16
10K
R14
10K
R18
10K
R19
10K
R17
10K
R20
10K
R21
10K
MIX_L
MIX_R
FILTER_L
FILTER_R
R61
47K 0805
R62
47K 0805
HP_DC_CNTRL
BP_DC_CNTRL
LP_DC_CNTRL
HP_DC_CNTRL
BP_DC_CNTRL
LP_DC_CNTRL
R6
10K
Q6
MMBFJ111
Q5
MMBFJ111
Q7
MMBFJ111
Q8
MMBFJ111
Q12
MMBFJ111
Q13
MMBFJ111
Q11
MMBFJ111
Q14
MMBFJ111
Q10
MMBFJ111
Q9
MMBFJ111
Q3
BC848B
Q4
BC856A
9
8
14
U7C
LM2901 SMD
5
4
2
U7A
LM2901 SMD
R76
4K7 1% 0805
R75
4K7 1% 0805
R77
4K7 1% 0805
R74
4K7 1% 0805
R84
1M0 1% 0805
C28
22N 0805
+5V
11
10
13
U7D
LM2901 SMD
R78
4K7 1% 0805
R85
1M0 1% 0805
C29
22N 0805
7
6
1
U7B
LM2901 SMD
R79
4K7 1% 0805
R86
1M0 1% 0805
C31
22N 0805
HP_DC_CNTRL
BP_DC_CNTRL
LP_DC_CNTRL
R81
4K7 1% 0805
R80
4K7 1% 0805
R83
4K7 1% 0805
R88
1M0 1% 0805
+5V
L_R_CTRL
R82
4K7 1%
R87
1M0 1% 0805
FILT_CNTRL
R91
3K9 0805
R90
100K 1% 0805
R89
150K 1% 0805
R73
10K 1% 0805
FILT_CNTRL
L_R_CTRL
+VA
HP_DC
BP_DC
LP_DC
FILT_ON
-VA
1 ARJ 07-11-03
1 2
JP2
1 2
JP3
C30
10N
C32
10N
C13
47/25
C14
47/25
C15
10/50
C16
10/50
C17
10/50
C18
10/50
C19
10/50
C20
10/50
2 ARJ 18-12-03
003-138 / 003-143 iss.2

Other manuals for ALLEN & HEATH XONE 92

Related product manuals