EasyManua.ls Logo

Allen-Bradley 1756-OB16IEFS - 1756-On8

Allen-Bradley 1756-OB16IEFS
258 pages
To Next Page IconTo Next Page
To Next Page IconTo Next Page
To Previous Page IconTo Previous Page
To Previous Page IconTo Previous Page
Loading...
Rockwell Automation Publication 1756-UM058G-EN-P - November 2012 171
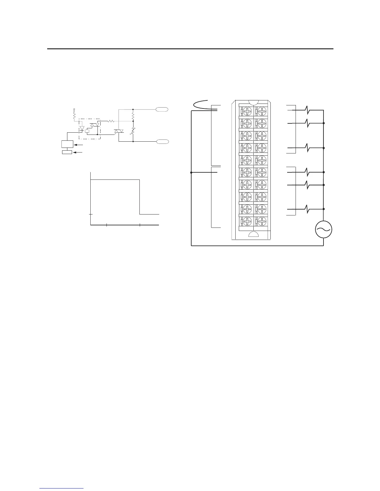
Wiring Diagrams Chapter 8
1756-ON8
ControlLogix AC (10...30V) output module
12
34
5
6
7
8
910
11
12
1314
1516
1718
19
20
Daisy Chain to Other RTBs
Group 0Group 0
Group 1Group 1
1756-ON8
L1-0
L1-0
L1-0
L1-0
L1-1
L1-1
L1-1
L1-1
L1-0
L1-1
OUT-0
OUT-1
OUT-2
OUT-3
OUT-4
OUT-5
OUT-6
OUT-7
Not Used
Not Used
L1
L2
ControlLogix Backplane Interface
OUT-0
L1-0
Display
Surge Current Chart
Simplified Schematic
Surge
+5V
Current
Time
043 ms
2 A
20 A

Table of Contents

Other manuals for Allen-Bradley 1756-OB16IEFS

Related product manuals