EasyManua.ls Logo

ALLIANCE STENXASP543DN01 - Page 44

ALLIANCE STENXASP543DN01
71 pages
Print Icon
To Next Page IconTo Next Page
To Next Page IconTo Next Page
To Previous Page IconTo Previous Page
To Previous Page IconTo Previous Page
Loading...
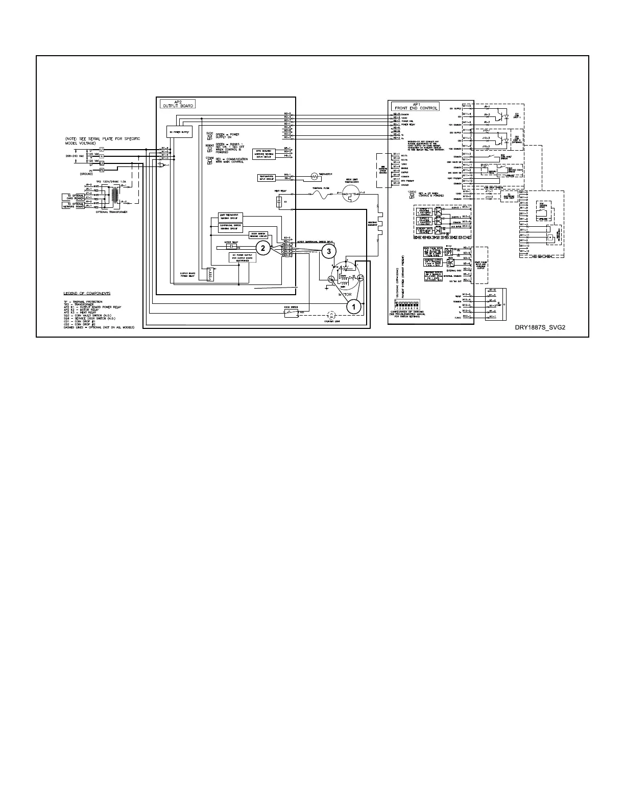
Motor Will Not Start
Electronic Control Troubleshooting
©
Copyright, Alliance Laundry Systems LLC -
DO NOT COPY or TRANSMIT
44 Part No. D515519R3

Table of Contents

Related product manuals