EasyManua.ls Logo

Almaco HP5 - Page 73

Almaco HP5
76 pages
Print Icon
To Next Page IconTo Next Page
To Next Page IconTo Next Page
To Previous Page IconTo Previous Page
To Previous Page IconTo Previous Page
Loading...
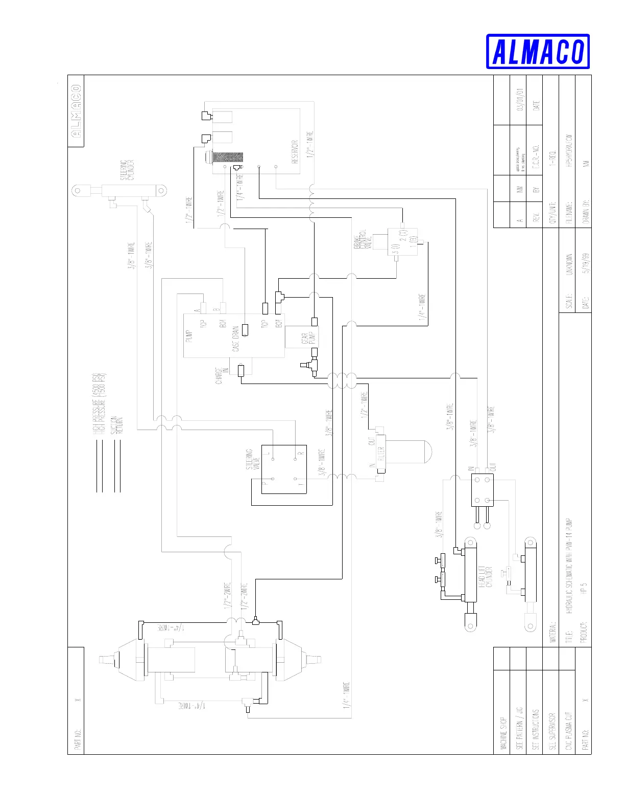
HP 5 OPERATOR’S MANUAL
DIAGRAMS H-13