EasyManua.ls Logo

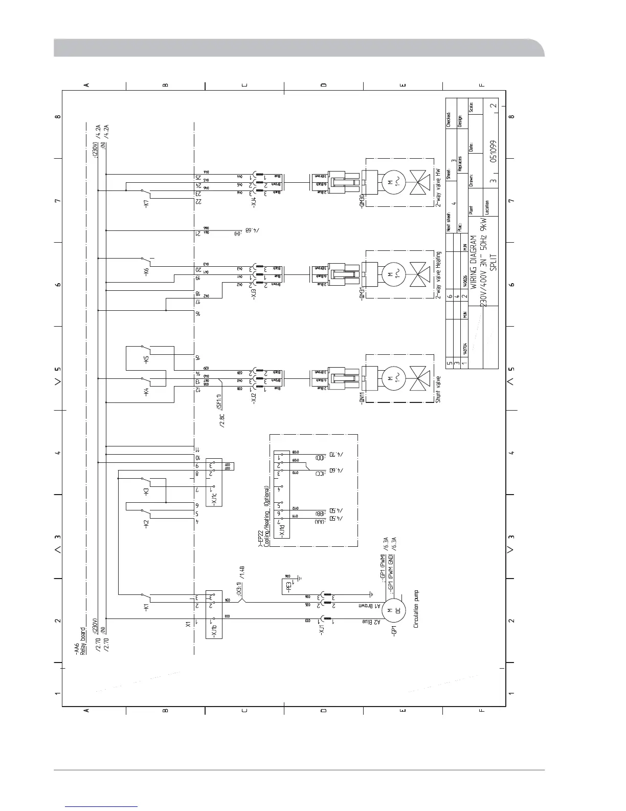
Alpha-InnoTec L12 SPLIT - Electrical Circuit Diagram - Outdoor Units; L8 SPLIT Wiring Diagram; L12 SPLIT Wiring Diagram

Alpha-InnoTec L12 SPLIT
112 pages
Print Icon
To Next Page IconTo Next Page
To Next Page IconTo Next Page
To Previous Page IconTo Previous Page
To Previous Page IconTo Previous Page
Loading...
SPLIT72
Miscellaneous
Electrical circuit diagram

Table of Contents

Related product manuals