EasyManua.ls Logo

Alpha-InnoTec L12 SPLIT - Page 77

Alpha-InnoTec L12 SPLIT
112 pages
Print Icon
To Next Page IconTo Next Page
To Next Page IconTo Next Page
To Previous Page IconTo Previous Page
To Previous Page IconTo Previous Page
Loading...
73SPLIT
Miscellaneous
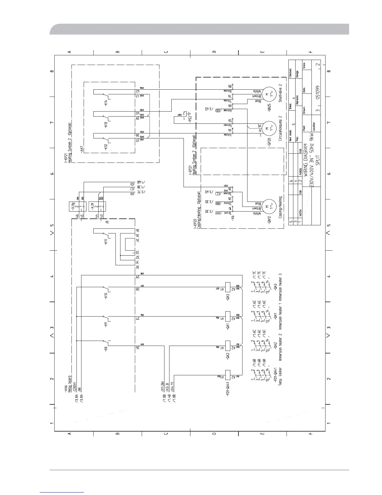
Electrical circuit diagram

Table of Contents

Related product manuals