EasyManua.ls Logo

Alpha 41 532 05 - Wiring Diagrams

Alpha 41 532 05
52 pages
Print Icon
To Next Page IconTo Next Page
To Next Page IconTo Next Page
To Previous Page IconTo Previous Page
To Previous Page IconTo Previous Page
Loading...
33
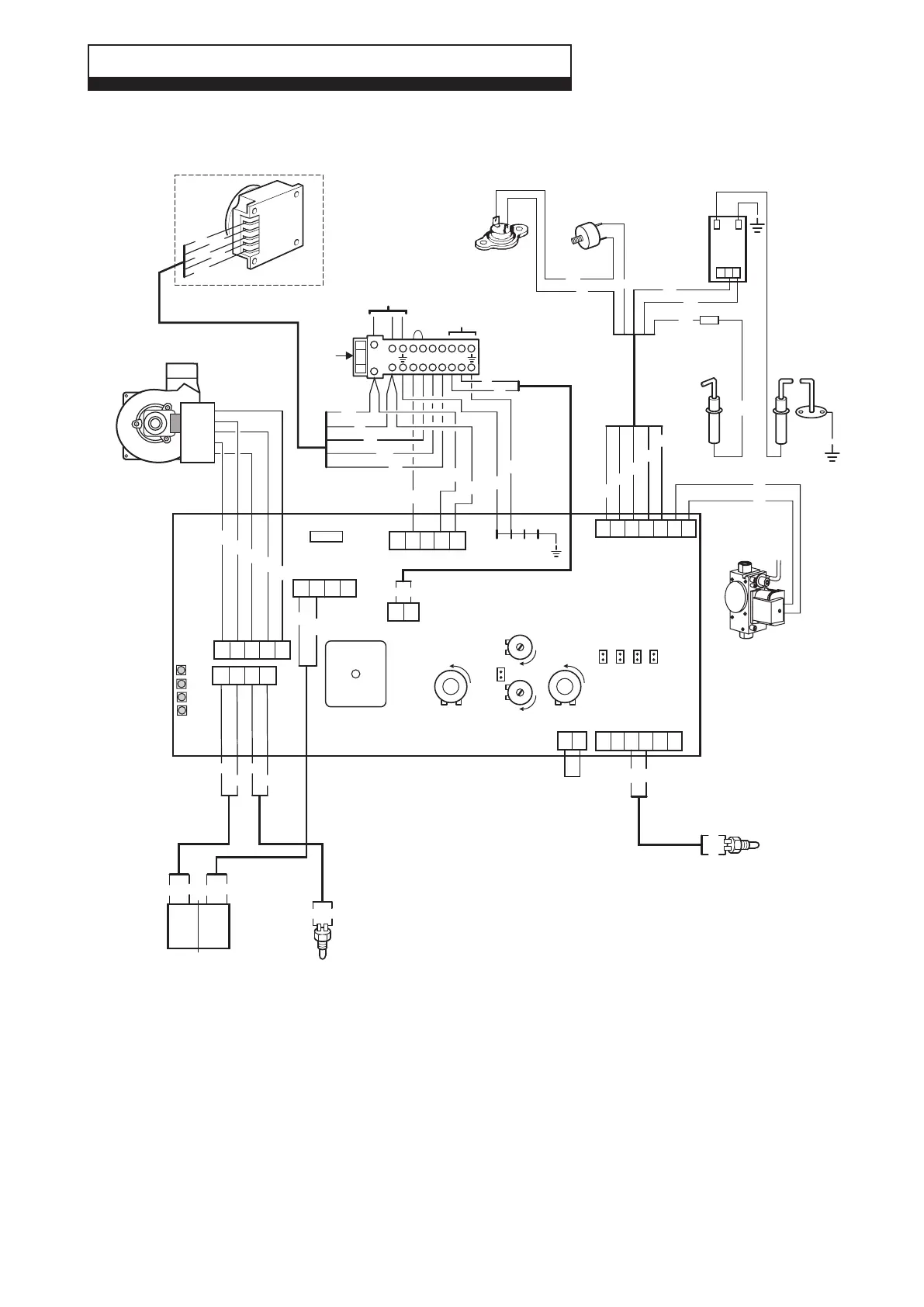
9.1 ILLUSTRATED WIRING DIAGRAM
9 WIRING DIAGRAMS
Alpha CD13R, 18R, 24R - Wiring Diagrams
Br - Brown
Bk - Black
Bl - Blue
R - Red
Or - Orange
G - Green
G/Y - Green/Yellow
W - White
Gy - Grey
Pk - Pink
P - Purple
NOTE: TO CONNECT EXTERNAL CONTROL
REMOVE LINK FROM TERMINALS 1 & 2
AND CONNECT 230/240 V SWITCHED LIVE TO
TERMINAL1.
A FROST THERMOSTAT IS INCORPORATED
WITHIN THE MAIN PCB
Gas Valve
G/Y
G/Y
Gy
Bk
Or
R
W
Transformer
Fuse
F2A
Link
Supply
230/240V-50Hz Fused at 3A
21
1 2 3 4 L NNL
X6
X9
X8
L N
X16
X7
X1
FUSE
315 mAT
X11
X12
X4
Br
Bl
29 30 31 32
Bk
R
Br
Br
Br
W
Gy
Bl
Bl
Bl
Br
Bl
G G
G
G
Or
R
R
Pk
Pk P
Gy
Pk
Pk Gy
P
Or
W
Bl
Bk
Br
Primary Flow
Temperature
Sensor
RR
Primary Return
Temperature
Sensor
Fan
Flame
Sensing
Electrode
Flue Limit
Thermostat
Overheat
Thermostat
Or
Bk
Bk
W
R
W
Gy
Spark
Generator
Ignition
Electrodes
40
36
35
11
41
37
12
42
18
44
19
45
38
13
43
39
14
3433 3
55
2
24
49
26
51
25
50
22
47
23
48
2721
46
240 Vac
24 Vac
Gy
W
5
4
3
2
1
Bl
Bk
Br
(Optional) 2 Channel Clock
External Pump
H1
H4
H3
H2
Green LED
Yellow LED
Red LED
Red LED
Main
PCB
S10 S3 S2 S1
X10
CH SET
DHW SET
CH CAP
MAX CAP
+ +
+
+
S1 CH set jumper
S2 CH timer jumper
S3 DHW temp off
S10 Range fan speed

Related product manuals