EasyManua.ls Logo

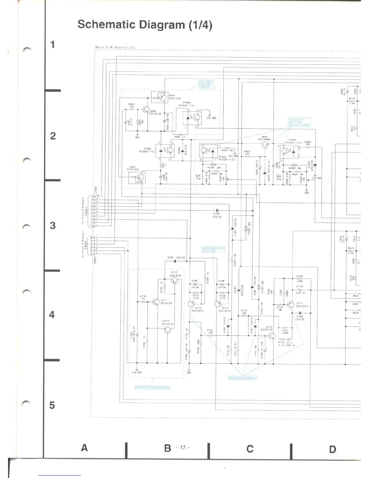
Alpine MRV-1507 - Schematic Diagram (1;4)

Alpine MRV-1507
42 pages
Print Icon
To Next Page IconTo Next Page
To Next Page IconTo Next Page
To Previous Page IconTo Previous Page
To Previous Page IconTo Previous Page
Loading...

Other manuals for Alpine MRV-1507

Related product manuals