EasyManua.ls Logo

Alpine X800D - CONNECTIONS; EXTERNAL DEVICE CONNECTIONS; VEHICLE CONNECTIONS

Alpine X800D
116 pages
Print Icon
To Next Page IconTo Next Page
To Next Page IconTo Next Page
To Previous Page IconTo Previous Page
To Previous Page IconTo Previous Page
Loading...
107-EN
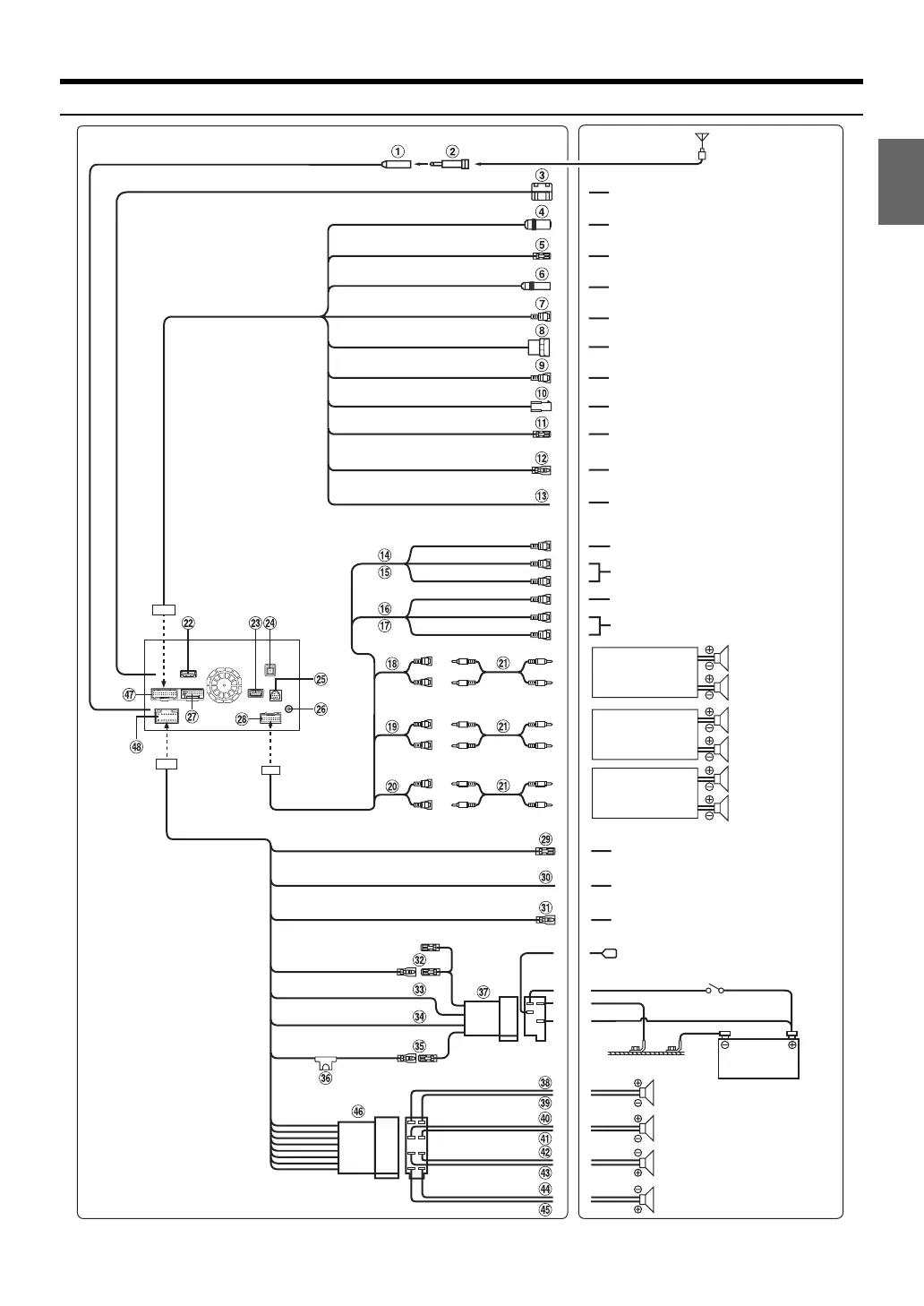
Connections
To guide control input terminal
To steering remote control interface
box
(Green/White)
(Blue/White)
(Blue)
(Yellow/Blue)
(Yellow)
(Black)
To amplifier or equalizer
Rear left
MIX CONT
STEERING REMOTE
BEEP/NAVIRG
REMOTE TURN-ON
POWER ANT
PARKING BRAKE
BATTERY
GND
ISO Antenna Plug
IGNITION
(Red)
To iPod Video Output terminal
To powe r antenna
To the parking brake
signal lead
Battery
(Green/Black)
Ignition key
(Yellow)
(Red)
(White)
(Yellow)
(Red)
(White)
Amplifier
Amplifier
Amplifier
Rear Left
Rear Right
Front Left
Front Right
Subwoofers
To Guide Input terminal
To Audio Input terminals
(R, L)
To Audio Output terminals
(R, L)
To Video Input terminal
To Video Output terminal
IPOD VIDEO
CAMERA1
CAMERA2
To Front/Rear camera
To Rear/Other/camera
(Green)
Front left
Front right
Rear right
(White/Black)
(White)
(Grey)
(Grey/Black)
(Violet)
(Violet/Black)
Speakers
Antenna
To plus side of the back
lamp signal lead of the car
(Orange/White)
REVERSE
To remote input lead
REMOTE IN
SPEED SENSOR
(Green/White)
(Brown)
To remote output lead
To the vehicle speed pulse line
REMOTE OUT
(Brown)
To CAN Interface box
To external Audio Processor
(PXA-H800, etc,.)
CAMERA2
(Not used for Benz M-Class.)

Table of Contents

Other manuals for Alpine X800D

Related product manuals