EasyManua.ls Logo

Altera Cyclone V - Using the EPCQ Flash Memory

Altera Cyclone V
66 pages
Print Icon
To Next Page IconTo Next Page
To Next Page IconTo Next Page
To Previous Page IconTo Previous Page
To Previous Page IconTo Previous Page
Loading...
2–14 Chapter 2: Board Components
FPGA Configuration
Cyclone V GT FPGA Development Board August 2017 Altera Corporation
Reference Manual
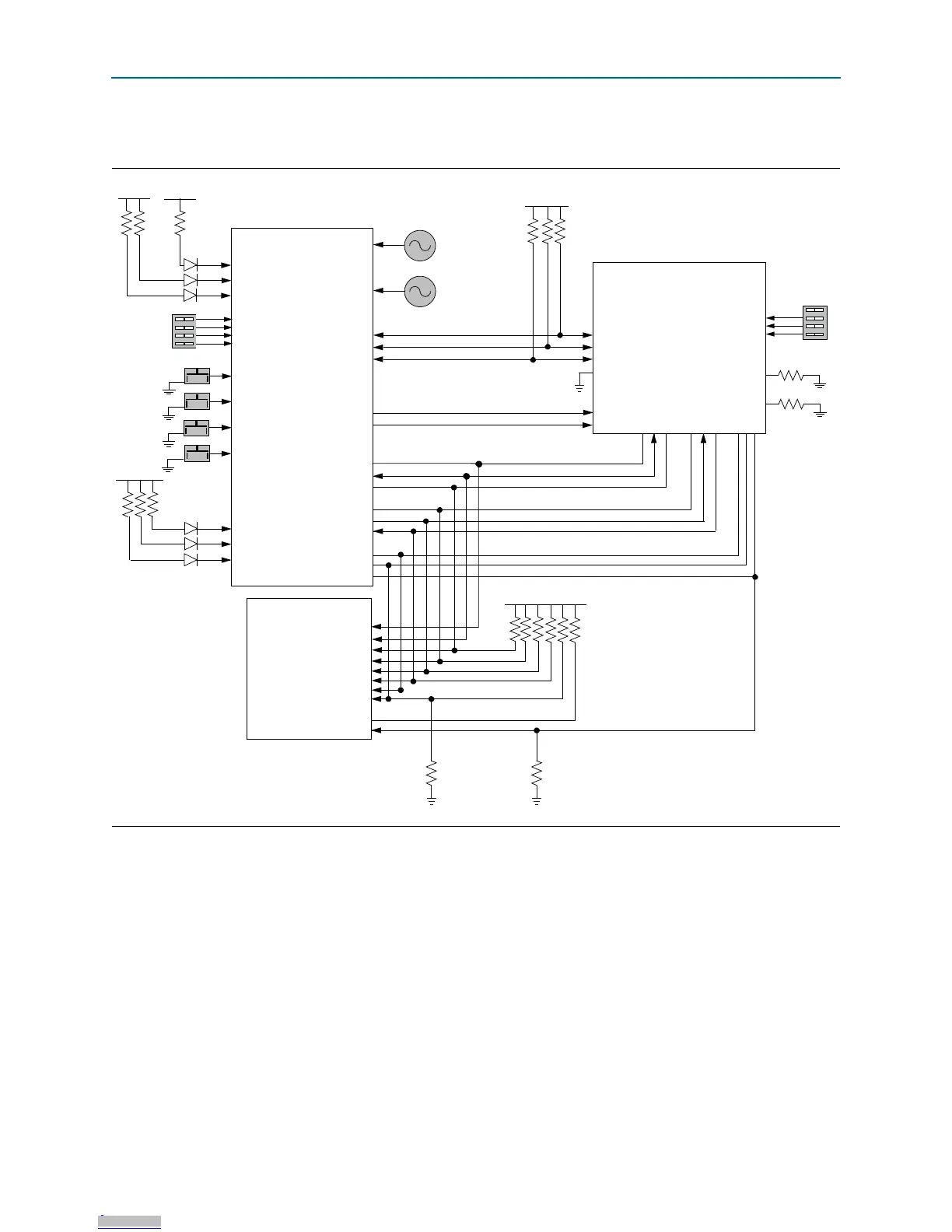
Figure 2–4 shows the PFL configuration.
f For more information on the following topics, refer to the respective documents:
Board Update Portal, PFL design, and flash memory map storage, refer to the
Cyclone V GT FPGA Development Kit User Guide.
PFL megafunction, refer to Parallel Flash Loader Megafunction User Guide.
Using the EPCQ Flash Memory
To enable FPGA configuration using the EPCQ device, you must reconfigure the MAX
V device with a specific hardware design, which you can download.
For further information, refer to “Configuring the MAX V Device to Program EPCQ”
on page 2–11.
Figure 2–4. PFL Configuration
MAX V CPLD
5M2210 System Controller
Cyclone V FPGA
FPGA_DATA [15:0]
FPGA_DCLK
FLASH_A [26:1]
FLASH_D [15:0]
DATA [15:0]
DCLK
nSTATUS
nCONFIG
CONF_DONE
MSEL1
MSEL2
MSEL4
MSEL0
MSEL3
MSEL[4:0] also
connects to the
MAX V CPLD
2.5 V
1 kΩ
1 kΩ
nCE
CFI Flash
FLASH_CEn
FLASH_OEn
FLASH_WEn
FLASH_A [26:1]
FLASH_D [15:0]
FLASH_CEn
FLASH_OEn
FLASH_WEn
FLASH_WPn
FLASH_ADVn
FPGA_nCONFIG
FPGA_CONF_DONE
FLASH_RYBSYn
FLASH_RYBSYn
FPGA_nSTATUS
1.8 V
10 kΩ
FLASH_ADVn
FLASH_CLK
FLASH_CLK
FLASH_RSTn
FLASH_RESETn
PS Port
Flash Interface
100 Ω56.2 Ω
56.2 Ω
50 MHz
100 MHz
2.5 V
2.5 V
2.5 V
MAX_ERROR
MAX_LOAD
MAX_CONF_DONE
ASSP_MODE
FACTORY_USER
CLK_ENABLE
CLK_SEL
MAX_RESETn
CPU_RESETn
PGM_CONFIG
PGM_SEL
PGM_LED0
PGM_LED1
PGM_LED2
DIP Switch
DIP Switch
10 kΩDNI
Downloaded from Arrow.com.Downloaded from Arrow.com.Downloaded from Arrow.com.Downloaded from Arrow.com.Downloaded from Arrow.com.Downloaded from Arrow.com.Downloaded from Arrow.com.Downloaded from Arrow.com.Downloaded from Arrow.com.Downloaded from Arrow.com.Downloaded from Arrow.com.Downloaded from Arrow.com.Downloaded from Arrow.com.Downloaded from Arrow.com.Downloaded from Arrow.com.Downloaded from Arrow.com.Downloaded from Arrow.com.Downloaded from Arrow.com.Downloaded from Arrow.com.Downloaded from Arrow.com.Downloaded from Arrow.com.Downloaded from Arrow.com.

Other manuals for Altera Cyclone V

Related product manuals