EasyManua.ls Logo

Alto-Shaam 300-TH/III

Alto-Shaam 300-TH/III
49 pages
To Next Page IconTo Next Page
To Next Page IconTo Next Page
To Previous Page IconTo Previous Page
To Previous Page IconTo Previous Page
Loading...
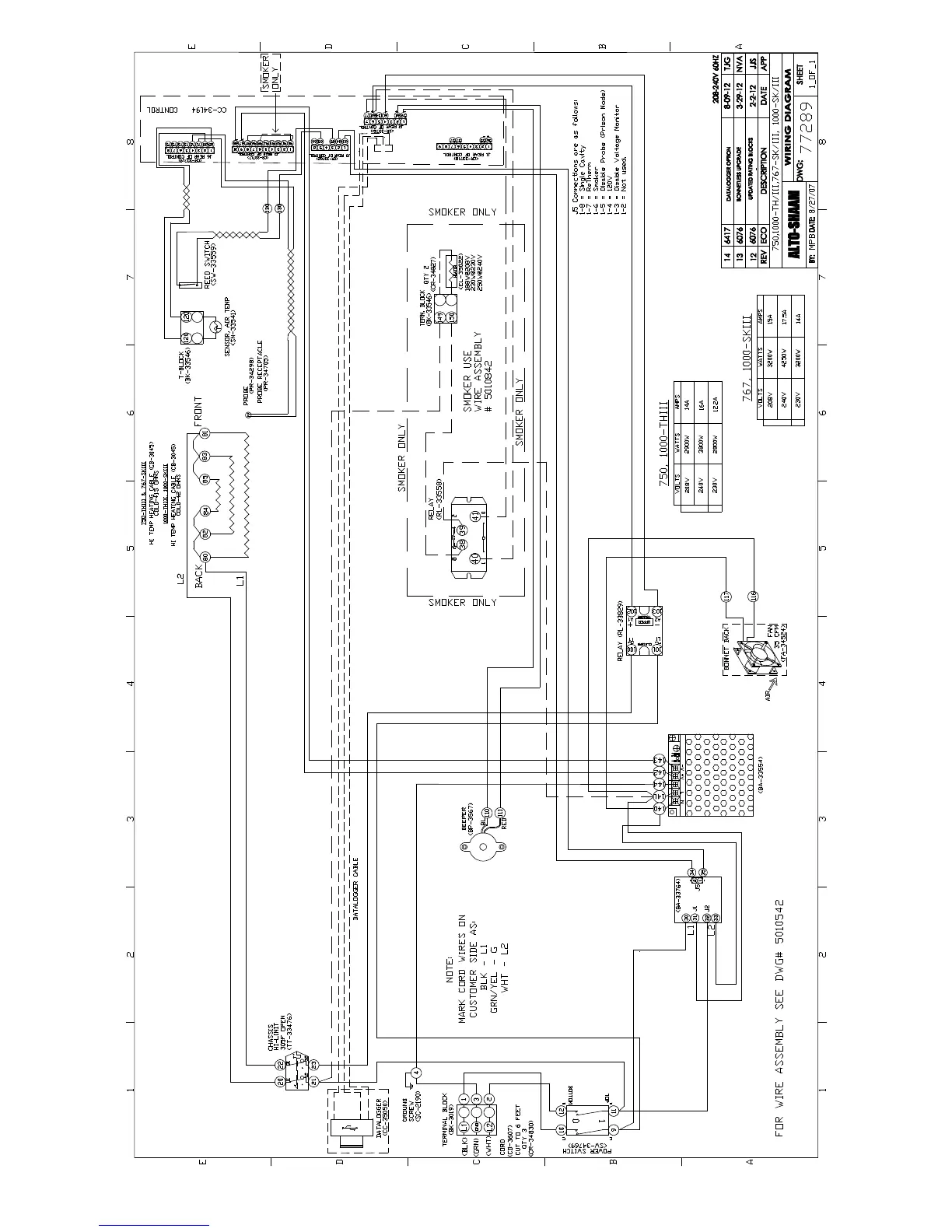
pg. 42 TH/III Ins Talla TIon/opera TIon/servIce manual

Other manuals for Alto-Shaam 300-TH/III

Related product manuals