EasyManua.ls Logo

Amazone Pantera 4504 - Liquid Circuit Part Width Section Control Amaswitch

Amazone Pantera 4504
286 pages
Print Icon
To Next Page IconTo Next Page
To Next Page IconTo Next Page
To Previous Page IconTo Previous Page
To Previous Page IconTo Previous Page
Loading...
Diagrams and overviews
Pantera 4504 CP plus BAG0230.2 07.21
261
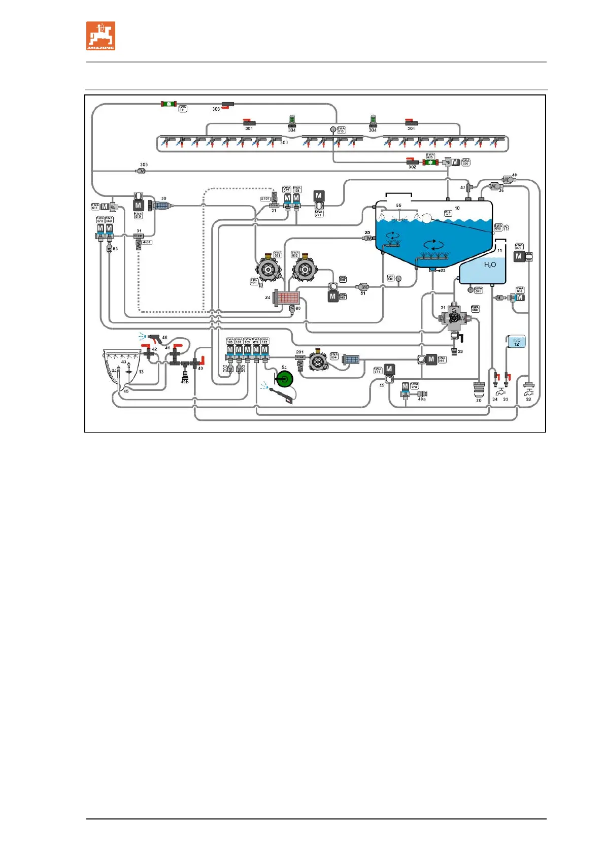
16.3 Liquid circuit part width section control AmaSwitch

Table of Contents

Related product manuals