EasyManua.ls Logo

American Eagle SHD-46P - Chapter 5: Installation

Default Icon
34 pages
Print Icon
To Next Page IconTo Next Page
To Next Page IconTo Next Page
To Previous Page IconTo Previous Page
To Previous Page IconTo Previous Page
Loading...
Installation 13
Pump Assembly:
The pump assembly may either be installed
directly on the PTO or as an optional method,
may be driven by a driveline from the PTO.
Pump manufacturers provide specific installation
information for their products and should be
consulted if questions arise.
PTO Assembly:
Check with the PTO manufactures
representative for specific instructions regarding
your particular make, model, and year of vehicle.
As some trucks may require modification of the
transmission cross member and the exhaust
system, the manufacturer’s instructions should
be followed to insure proper installation of the
PTO.
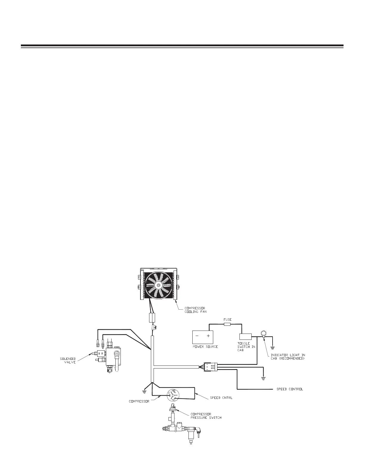
Compressor Assembly:
Prepare the mounting location of the compressor
by locating and drilling four (4) holes, 9/16”
diameter as per the mounting pattern of the air
compressor base. Using four (4) 1/2” x 1.50”
GR-5 cap screws, 1/2” flat washer, and 1/2”
nyloc nut, secure the compressor in place. The
compressor is air cooled, and must have a clean
supply of cooling air to the fan with minimum
restrictions. Adequate space must be provided
for proper circulation of air.
Electric speed control:
An optional electric or electronic speed control
must be used to maintain proper operating
speed of the air compressor. The engine speed
control will automatically increase from idle to a
preset speed when engaged and decrease when
disengaged.
COMPONENT INSTALLATION
This section pertains to the installation of the air compressor, PTO, pump and other related items.
The instructions are intended as a guide to assist you with particular installation. These instructions
will provide only general information.
Chapter 5: Installation

Related product manuals